• ISSN 0258-2724
  • CN 51-1277/U
  • EI Compendex
  • Scopus 收录
  • 全国中文核心期刊
  • 中国科技论文统计源期刊
  • 中国科学引文数据库来源期刊

2025年 第60卷 第4期

磁悬浮交通方向
超导电动悬浮列车明线气动特性及其对悬浮状态的影响
赵春发, 李煜寒, 彭也也, 杨晶, 宁晓芳, 冯洋
2025, 60(4): 793-802. doi:10.3969/j.issn.0258-2724.20240470
摘要:

超导电动悬浮列车设计速度达到600 km/h,车体附近流动加剧,受到的气动荷载也急剧增加. 为研究超导电动悬浮列车气动荷载作用下车辆的悬浮状态,基于有限元方法,采用SST k - ω 湍流模型计算并分析某型磁浮列车明线工况下的气动特性;并基于气动特性提出一种分部件提取气动荷载及加载方式,可以更为真实地反映气动荷载作用下的动力学响应. 磁浮列车气动特性结果表明:U型轨道较大程度限制车体附近流动,尾涡在U型轨内部需要较长距离耗散;磁浮列车悬浮架与轨道间横向间隙变化使得悬浮架底部出现负压,以600 km/h速度为例,整体提取头车及中间车为升力,尾车则为下压力;分部件提取三车体均为升力,且升力幅值从大到小依次为头车、尾车、中间车,悬浮架受到下压力且一位及四位悬浮架压力幅值大于二位及三位悬浮架;2种提取方式的气动荷载合力相同,但分部件提取时,仅车体气动升力幅值达到整体提取方式的约5倍. 气动荷载作用下车辆动力学结果表明:气动荷载对悬浮架位移影响较为有限,最大高度变化量不超过7 mm,且不同加载方式下几乎无差异;2种加载方式对动力学影响的区别主要反映于空簧受力变化量,分部件加载方式下空簧力最大为整体加载方式空簧力的2.86倍.

基于模糊补偿的磁浮列车悬浮系统非奇异终端滑模控制
孙友刚, 张丹丹, 吉文, 徐俊起
2025, 60(4): 803-811. doi:10.3969/j.issn.0258-2724.20240499
摘要:

针对电磁悬浮(EMS)型磁浮列车在实际运行时,因系统参数时变、侧风气动升力以及载客量变化等因素,致使高精度悬浮动态性能下降的问题,提出一种自适应模糊非奇异终端滑模控制(FNTSC)方法. 首先,建立考虑系统不确定性与外部干扰的单电磁铁悬浮系统动力学模型;其次,采用模糊逻辑系统对悬浮系统中的未知非线性函数进行在线逼近与动态补偿;然后,针对传统滑模控制(SMC)中的奇异性问题和颤振现象,设计非奇异终端滑模控制器,并在不进行任何线性化处理的前提下,基于Lyapunov稳定性理论证明跟踪误差的有限时间收敛性;最后,将PID、SMC、模糊PID控制方法与FNTSC方法进行仿真对比,并进一步开展PID和FNTSC方法的实验对比,验证所提方法的有效性和鲁棒性. 研究结果表明:在随机外部干扰和轨道不平顺情况下,FNTSC方法具有更小的稳态误差和更优的跟踪性能;相较于PID控制方法,静态悬浮的均方根误差降低15.7%,对幅值为2 mm的正弦波不平顺轨迹,其跟踪误差可限定在0.05 mm以内.

基于Sobol’ 法的高速磁浮列车单点悬浮系统全局灵敏度分析
倪菲, 范琳, 徐俊起, 林国斌, 贾万涛
2025, 60(4): 812-822. doi:10.3969/j.issn.0258-2724.20240545
摘要:

本文针对高速磁浮列车悬浮系统中不确定性参数对系统动态响应的影响展开研究,旨在为磁浮列车的优化设计提供理论依据. 首先,将高速磁浮列车悬浮系统简化为包含二系悬挂的单点悬浮系统,并构建相应的多项式混沌展开(PCE)模型;在此基础上,采用Sobol’ 法进行全局灵敏度分析,相较于在原始模型上进行蒙特卡洛仿真求解Sobol’ 灵敏度的方法,基于PCE模型的求解方法将计算效率提升了73倍,且计算误差控制在0.004以内;进一步地,深入分析车辆结构参数、轨道不平顺参数以及悬浮控制参数对悬浮系统间隙响应和车体垂向加速度的影响规律,识别了关键影响参数及其交互效应. 研究结果表明:电磁铁线圈匝数和电磁铁铁芯有效面积对车体垂向加速度及悬浮系统间隙响应影响较大,总灵敏度指数均大于0.20,而电磁铁质量和二系悬挂参数对其影响相对较小,总灵敏度指数均小于0.10;列车运行速度与轨道不平顺波长对悬浮间隙和车体垂向加速度的影响显著,总灵敏度指数均大于0.80,且二者之间存在明显的交互作用;在悬浮控制参数中,间隙响应对比例系数的变化最为敏感,总灵敏度指数接近1.00.

桥梁参数对磁浮系统车-桥耦合稳定性的影响
周丹峰, 朱鹏翔, 屈鸣鹤, 王连春, 李杰
2025, 60(4): 823-832. doi:10.3969/j.issn.0258-2724.20240381
摘要:

为解决磁浮交通车-桥耦合自激振动问题并指导磁浮桥梁的设计,基于模态分析法建立桥梁的数学模型,研究桥梁的参数对磁浮列车车-桥耦合稳定性的影响. 首先,以磁浮工程某外伸型高架桥梁为例,用模态分析法建立弹性支撑结构的桥梁数学模型,探讨支墩位置对桥梁模态频率的影响;其次,结合磁浮列车悬浮控制系统的模型构建车-桥耦合系统模型,通过分析其开环频率特性研究自激振动发生的原因;最后,探讨桥梁的一阶模态频率、跨径、阻尼比、线密度等参数对车-桥耦合稳定性的影响. 研究表明:桥梁一阶模态频率接近或高于悬浮临界频率易导致闭环不稳定,故一阶模态频率高于10 Hz的轻质梁易引发车-桥耦合自激振动;大跨径梁的模态频率和模态增益更低,稳定性优于小跨径梁;桥梁的阻尼比、线密度越小,不稳定的频率范围越宽;相比两端支撑梁,在桥梁长度和截面固定情况下外伸梁的一阶模态频率随跨径减小呈先增后减的趋势,其最高频率可高出53.9%,更容易进入不稳定频率范围,因此,在磁浮工程中应尽量避免使用这类短跨外伸梁.

高速磁浮列车导向系统的优化控制方法
王志强, 郭伟鹏, 桑孜良, 李博文, 龙志强, 李晓龙
2025, 60(4): 833-841, 864. doi:10.3969/j.issn.0258-2724.20230516
摘要:

为进一步优化和改善高速磁浮列车导向系统的控制性能,以高速磁浮列车导向系统为研究对象,在基于搭接结构导向系统的数学模型基础上进行导向控制器的设计和仿真实验;分析高速磁浮列车在通过弯道时的情况,考虑了2种工作条件(磁浮列车以不同速度通过弯道、磁浮列车受到不同大小的侧向干扰力)建立考虑扰动的导向系统数学模型,采用线性二次型最优控制方法设计导向系统标称控制器,并利用粒子群优化算法对控制器参数进行优化;建立了导向系统的仿真模型,通过仿真平台分析导向系统在2种特定工作条件下的系统响应,并将优化前后算法进行对比. 研究结果表明:1、2、3 kN模拟干扰力情况下,导向间隙波动幅值分别减小9.46%、9.70%、11.82%,相比于优化前的算法,优化后导向系统间隙恢复速度有所提升;优化后的算法在改善列车通过弯道及受到横风干扰时的性能方面均具有一定的提升作用,证明了优化算法的有效性及可靠性.

相邻直线电机边端效应及电磁力特性分析
张敏, 骆淑娟, 曹毅, 罗世辉
2025, 60(4): 842-850. doi:10.3969/j.issn.0258-2724.20240250
摘要:

直线感应电机在中低速磁浮列车应用中两两相邻,磁场相互干涉. 为探究磁场干涉对相邻电机电磁力特性的影响,首先,基于麦克斯韦方程组建立相邻电机各区域矢量磁位方程,利用边界条件对各区域矢量磁位进行求解;然后,推导得到相邻电机气隙磁场、牵引力和法向力表达式,分析相邻电机磁场干涉对电机电磁力的影响,并利用有限元仿真对理论模型进行检验;最后,研究电机间距和滑差频率对相邻电机电磁力的影响. 研究结果表明:2台电机边端效应引起的行波相互影响,前一台电机(LIM1)受后一台电机(LIM2)影响较小,而LIM2则受LIM1影响较大;LIM2牵引力和法向力均随间距的变化产生波动,间距越小,滑差频率也越小,波动幅度越大,LIM2电磁力受间距影响波动幅度越大;当滑差频率为8 Hz、速度为160 km/h、电流为400 A时,LIM2牵引力相较LIM1最大可增加83%;LIM2法向力最大可减小6.6 kN,将大大减轻悬浮系统的负担.

基于改进NMPC的永磁电动悬浮汽车横向控制
毕经国, 柯志昊, 杨轶莹, 李诤言, 邓自刚
2025, 60(4): 851-864. doi:10.3969/j.issn.0258-2724.20240494
摘要:

针对横向力不足、模型不确定和时变扰动环境下永磁电动悬浮汽车横向运动控制问题,提出一种改进非线性模型预测横向跟踪控制方法(NMPC-ESO-EKF)以实现车辆横向精准控制. 首先,提出通过偏转磁轮来补偿系统横向力的横向运行模式,以此建立横向非线性动力学模型;然后,建立含有约束条件的非线性模型预测控制器(NMPC),并构造扩张状态观测器(ESO)来观测系统内外扰动以补偿控制输入,同时引入扩展卡尔曼滤波器(EKF)消除传感器测量噪声对ESO观扰的影响;最后,搭建联合仿真平台和实验平台进行仿真与实验验证. 研究结果表明:永磁电动悬浮汽车在横向运行模式下,能有效实现左右横移运动;相较于PID-EKF控制,在定常数参考信号下,NMPC-ESO-EKF超调量降低98.90%,系统调节时间缩短47.78%;在方波参考信号下,系统平均超调量和平均跟踪误差分别降低93.77%和36.13%;施加扰动后,系统横向位移波动幅值减小34.51%,恢复时间缩短42.08%,横向控制精度与抗扰能力大幅提升,为永磁电动悬浮汽车横向控制研究提供一定参考.

常导高速磁浮交通道岔的平面曲线线形及参数
彭也也, 宋欣悦, 赵春发, 冯洋, 娄会彬
2025, 60(4): 865-873. doi:10.3969/j.issn.0258-2724.20240447
摘要:

常导高速磁浮道岔是磁浮交通的薄弱环节之一,其线形参数研究对磁浮道岔优化设计具有重要意义. 为探究道岔平曲线线形及参数对道岔设计的影响,首先,综合分析现有常导高速磁浮交通车线几何约束关系、列车平稳舒适运行以及道岔制造与运维经济性对道岔线形的要求;其次,探究常导高速磁浮道岔曲线线形组合及关键参数取值原则;最后,提出面向低速、较高速及高速3种通行条件的道岔平面线形. 研究表明:受车线几何约束关系限制,道岔的平面曲线半径不应小于350.00 m;单圆型道岔存在侧向加速度突变,仅适用于低速通过,缓-圆型道岔占地较大,不建议采用;缓-圆-缓型道岔可根据使用需求调整参数,适用场景广泛;缓-圆-缓型道岔设计中,道岔区长度、端部横向位移、转辙角度均随着圆曲线半径增加而减小;为满足岔后横向位移的限界要求,圆曲线半径存在一最大值;转辙角度和端部横向位移均随着圆缓比的增大而逐渐增大,圆缓比值建议在2~4之间选取.

中低速磁浮列车悬浮系统模糊综合评价与改进设计
曹毅, 张敏, 刘静, 刘清辉, 马卫华, 单磊, 李铁
2025, 60(4): 874-883. doi:10.3969/j.issn.0258-2724.20240190
摘要:

为提高某型中低速磁浮列车悬浮系统的容错能力,运用故障模式、影响及危害度分析(FMECA)方法对系统进行可靠性分析评估,识别出典型失效模式;通过专家模糊综合评价量化指标,以降低主观偏差,避免危害性取值重复的问题;利用层次分析法(AHP)对不同影响因素进行权值分配,使计算得到的各故障模式的综合危害性等级更符合实际工程需求;进一步,基于马尔可夫理论,针对综合危害性等级较高的故障模式提出改进措施;最后,研制样机并在单悬浮架试验台上开展悬浮试验与故障模拟试验. 研究结果表明:控制板、接口板和电源模块的综合危害等级最高,分别为 6.3147 5.4841 5.6534 ;故障发生后,主从机切换时间小于100 μs,悬浮间隙均方根误差小于0.1 mm,加速度波动在0.6 m/s2内.

超导电动悬浮非对称系统多目标优化设计
王津, 葛琼璇, 赵鲁
2025, 60(4): 884-892. doi:10.3969/j.issn.0258-2724.20240477
摘要:

为提高超导电动悬浮系统性能,基于全局灵敏度分析和多目标优化算法,提出一种非对称悬浮线圈优化设计方法. 首先,基于空间谐波法建立超导电动悬浮系统的数学模型,计算超导磁体的磁感应强度以及悬浮线圈的电磁力;其次,对此模型进行非对称优化设计,采用Sobol’ 敏感性分析方法,以悬浮力和每公里悬浮线圈质量为目标,计算各设计参数的灵敏度,并基于灵敏度分析结果进行非支配排序遗传算法Ⅱ (NSGA-Ⅱ)优化设计;最后,通过有限元进行仿真分析,验证空间谐波法解析模型,并对优化前后的模型进行比较. 研究结果表明:空间谐波法建立的悬浮系统模型与有限元模型具有一致性;相比优化前,优化后的非对称悬浮系统悬浮力提高8.3%,每公里铺设线圈质量降低12.9%;垂直位移0.02~0.04 m时,悬浮力由262.2 kN增加到270.2 kN,磁阻力由4.5 kN增加到5.4 kN;水平位移0.17~0.20 m时,悬浮力由306.5 kN减小到228.8 kN,磁阻力由6.2 kN减小到4.6 kN;悬浮力、磁阻力的波动分别约为6%、65%. 研究揭示了悬浮力和磁阻力随着位移方向的变化规律,验证了非对称设计在提升悬浮力和轻量化方面的优势,为超导电动悬浮系统的优化设计提供理论参考.

超导电动磁浮道岔线形设计与侧向过岔速度优化
张榕欣, 蔡小培, 汤雪扬, 王一
2025, 60(4): 893-903. doi:10.3969/j.issn.0258-2724.20240421
摘要:

为提升超导电动悬浮列车(EDS)在侧向通过道岔时的速度,本文基于多体动力学理论与运动微分方程,建立超导EDS磁浮列车-道岔耦合动力学模型. 首先,通过分析不同道岔梁长度对车辆动力响应的影响,确定最优道岔梁长度,并设计相应的磁浮单开道岔线形;在此基础上,进一步研究不同侧向过岔速度下的动力学响应特性,明确满足乘客舒适度和行车安全性的侧向过岔速度临界值. 研究表明:较短的道岔梁长度与较低的通过速度可扩大系统稳定区域,减少悬浮和导向间隙波动,提升乘坐舒适度和行车平稳性;列车以100 km/h的速度侧向通过道岔梁长度为8 m的道岔线形,动力响应最佳,满足乘客舒适度要求,侧向过岔速度可达130 km/h,比现有磁浮列车的最高速度提升了85%;随着侧向过岔速度的增加,道岔线形对磁悬浮列车行车安全性和乘坐舒适度的影响愈加显著,车辆动力响应更加明显,侧向安全过岔速度的临界值为150 km/h.

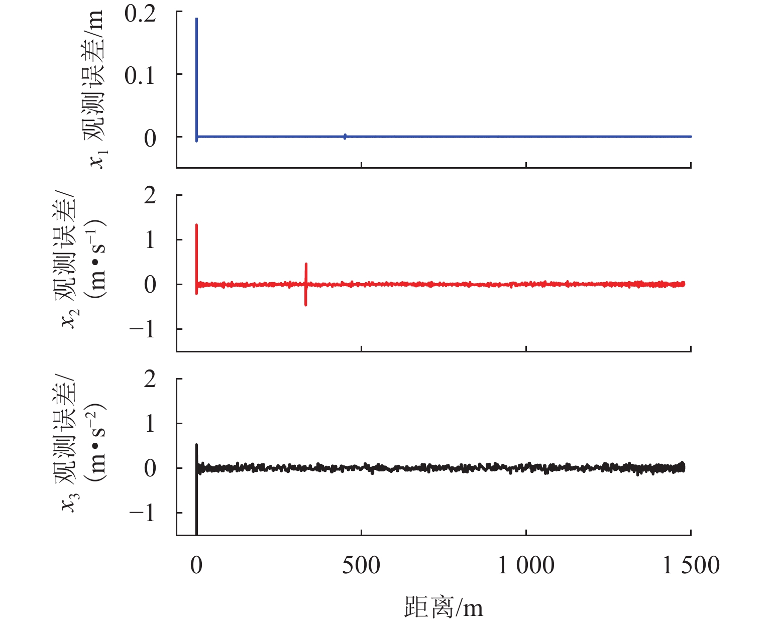
基于自参考自适应噪声消除的永磁轨道不平顺测量方法
罗奕, 袁宇航, 邓斌, 邓自刚
2025, 60(4): 904-911. doi:10.3969/j.issn.0258-2724.20240563
摘要:

在进行永磁轨道不平顺动态检测时,消除实测信号中由测量载体振动而产生的振动分量,有助于掌握更为准确的轨道实时状态. 将自参考自适应噪声消除方法应用于永磁轨道不平顺检测,使单一信号源实现周期性成分与非周期性成分分离,在进行不平顺管理时有效降低具有周期性特征的振动分量干扰. 对高温超导高速磁浮工程化样车及试验线开展试验研究,将单个杜瓦作为测量载体并配合霍尔传感器进行永磁轨道轨面磁感应强度测量;利用自参考自适应噪声消除方法实现对实测样本的信号分离,分离后所得周期成分为振动分量,随机成分对应实际永磁轨道不平顺;对分离前后的信号进行时域与频域对比分析. 研究表明:时域信号中随机成分相比分离前波动减小,频域信号中测量载体对应的振动分量成分已被分离至周期成分中,证明了本文所提方法的有效性.

基于多种群遗传算法的磁浮列车自抗扰速度控制
李自康, 戴春辉, 黄翠翠, 龙志强
2025, 60(4): 912-920. doi:10.3969/j.issn.0258-2724.20240113
摘要:

为实现磁浮列车在复杂扰动环境下的精准速度运行控制,提出一种参数自整定的自抗扰控制(ADRC)方法. 通过受力分析建立磁浮列车纵向动力学模型,用于描述运行控制过程中的非线性迟滞特性;将模型不确定参数及外部扰动等因素归纳为扩张状态,设计三阶扩张状态观测器实时观测扩张状态,并基于李雅普诺夫稳定性定理对观测器的收敛性条件进行分析;针对传统ADRC控制参数多、调参困难的问题,引入多种群遗传算法(MPGA)实现参数自适应优化和调整;利用磁浮列车现场运行采集的数据开展仿真实验. 结果表明:相较传统ADRC,MPGA-ADRC在速度控制精度方面提升22.7%,跟踪平稳性提升25.6%,所提出的方法能够有效提升磁浮列车运行的稳定性和乘坐舒适性.

大功率永磁直驱架悬式机车的重建黏着性能分析
马群, 易兴利, 姚远, 乔金闯, 钟文生
2025, 60(4): 921-929. doi:10.3969/j.issn.0258-2724.20240652
摘要:

针对大功率架悬式永磁直驱驱动系统,研究轮对驱动系统悬挂参数对机车重建黏着性能的影响. 基于平均滑移率和动态滑移率,分析机车黏滑振动机理,并建立轮对驱动系统扭转振动的简化模型,明确悬挂参数匹配原则;搭建某机车多体动力学仿真模型,以启动工况为例,探讨轮对驱动系统悬挂参数对机车重建黏着性能的影响. 仿真结果表明,较小的轮对驱动系统悬挂刚度增大了机车发生黏滑振动的风险,提高膜片式联轴器扭转刚度和一系纵向刚度能有效增强机车的重建黏着性能,将联轴器扭转刚度从1 MN·m/rad增加到5 MN·m/rad时,机车重建黏着性能提升了约12%;不合理的悬挂参数匹配可能将导致轮对纵向-旋转振动共振,不仅加剧了轮对驱动系统结构振动,而且极大削弱机车重建黏着性能. 因此,合理匹配轮对驱动系统悬挂参数对于提高机车重建黏着性能至关重要.

永磁磁浮转向架的运动解耦与动力学响应
卢静, 马卫华, 李苗, 罗世辉, 王波, 徐傲康
2025, 60(4): 930-943. doi:10.3969/j.issn.0258-2724.20250162
摘要:

针对永磁磁浮“红轨”列车转向架在悬浮与导向性能上的不足,提出一种新型转向架方案并开展动力学研究. 首先,采用有限元法分析Halbach阵列磁场与磁力特性,明确永磁侧偏对导向性能及运动解耦对稳定悬浮的影响机制;其次,详细阐述新型转向架结构设计,构建车辆系统动力学模型,重点研究车辆直线运行及通过R50小半径曲线时转向架关键部件的动力学响应;最后,探究横向轮自由间隙与刚度对转向架冲击振动的影响. 研究结果表明:当横向轮自由间隙设为0,刚度值设为6 × 106N/m时,转向架冲击振动得到有效抑制;车辆过曲线时,转向架在永磁侧偏力作用下,以横向轮紧贴曲线内侧来平衡离心力,与传统轨道车辆动力学特性明显不同;在运行速度≤60 km/h工况下,空载(AW0)状态时车辆的横向与垂向平稳性指标均优于超载(AW3)状态,且两者平稳性指标均控制在2.5以内.

磁悬浮轴承方向
新型异极径向混合磁悬浮轴承的建模及仿真
刘欣, 袁鹏禹
2025, 60(4): 944-953. doi:10.3969/j.issn.0258-2724.20230315
摘要:

针对高速电机和飞轮储能系统等对空间利用率要求较高的场合,提出一种新型异极径向混合磁轴承(heteropolar radial hybrid magnetic bearing,HRHMB). 首先,建立该磁轴承的等效磁路模型,通过解析磁场得出其电流刚度、位移刚度及电磁力,并通过有限元仿真验证其有效性;然后,在相同约束条件下与传统偏置磁轴承进行对比,分析磁轴承的刚度特性和空间利用率;最后,通过有限元仿真研究新型磁轴承径向两自由度间的电磁力耦合,并与传统磁轴承进行对比. 研究结果表明:在相同承载力等约束条件下,该新型磁轴承的体积仅为传统磁轴承的0.87倍,其电磁力在控制电流和转子位移影响下的相对误差值为6.5%,而传统磁轴承的电磁力相对误差为13.6%,表明新型磁轴承径向两自由度的电磁力耦合小于传统磁轴承,解耦效果良好.

磁悬浮铣削电主轴时变质量系统的旋转惯性特性
康辉民, 席家乐, 刘厚才, 段良辉
2025, 60(4): 954-964. doi:10.3969/j.issn.0258-2724.20240295
摘要:

针对磁悬浮铣削电主轴在切削加工过程中因切屑不断进入、离开刀具容屑槽导致系统质量大小和分布不断变化,进而引起系统动力学特性的非线性变化问题,首先,依据金属连续切削原理求得单个切屑质量,并结合连续梁振动理论,应用有限单元法建立“磁悬浮轴承-电主轴-刀具-切屑”时变质量系统的动力学模型;然后,采用龙格库塔法对系统的运动微分方程进行求解,分析切屑从进入到离开容屑槽的整个过程,切屑质量变化对系统固有频率、振型的影响规律;进而探索由时变切屑质量所引起的旋转惯性载荷、陀螺力矩、切削力、磁悬浮轴承电磁力等激励下的系统振动响应规律;最后,利用MATLAB软件对系统进行仿真求解. 结果表明:切屑质量从0增大到2.08 × 10−5kg时,系统前三阶临界转速分别下降约2.3、0.7、0.3 r/min,可知时变切屑质量对系统固有特性影响较小;旋转惯性载荷对系统的动态响应有较大影响,尤其是对切削加工点,使切削点的径向振动响应和角向振动响应的幅值分别出现0~9.7 × 10−7m和0~2.5 × 10−5rad不等的增大,还使加工点处径向振动和角向振动平衡位置的偏移距离分别增加约5.1 × 10−7m和9.3 × 10−6rad.

高承载力密度磁轴承优化设计
姜豪, 苏振中, 姜亚鹏
2025, 60(4): 965-975, 985. doi:10.3969/j.issn.0258-2724.20240553
摘要:

高速重载是磁轴承的重要应用趋势,针对传统磁轴承承载力密度低、电磁设计与控制器设计过程脱离等问题,本文提出通过增大磁轴承工作磁密到材料饱和区,用以提高磁轴承的承载力密度;在此基础上,考虑磁轴承饱和与强机电耦合特性,开展高承载力密度磁轴承结构-控制一体化设计. 首先,考虑饱和、转子偏心等因素,建立高承载力密度磁轴承的非线性磁路模型;其次,根据动力学模型构建磁轴承结构设计与控制系统的耦合关系,同时考虑磁轴承的承载力、功放电压和系统稳定性等约束,以最小轴向长度和最大力变化率作为优化目标,建立高承载力密度磁轴承的多目标优化模型,利用NSGA-Ⅱ算法求解得出高承载力密度磁轴承的设计方案;最后,利用有限元和实验验证设计方案的可行性. 结果表明:相较于传统磁轴承,高承载力密度磁轴承的承载力密度提高了21%,实测样机支承刚度与非线性磁路计算刚度的误差在4.6%以内,能够实现高转速下的稳定运行.

主动磁悬浮轴承非奇异快速终端滑模转子位置控制
巩磊, 何派, 石勇, 祝长生
2025, 60(4): 976-985. doi:10.3969/j.issn.0258-2724.20240090
摘要:

针对主动磁悬浮轴承转子位置控制中系统响应速度慢、抗干扰能力弱等问题,本文提出将非奇异快速终端滑模函数与改进超螺旋趋近律相结合的位置控制方法,以获得快速、精确的动态响应控制效果. 由于系统内扰和外扰的存在,需要对滑模趋近律增加常值切换增益以保证系统的强鲁棒性,但会使得系统抖振进一步变大,本文通过采用非线性扩张状态观测器对干扰进行实时观测并动态补偿,折衷了抖振与抗干扰性之间的矛盾;通过李雅普诺夫稳定性理论证明了所提方法的稳定性,并对提出的控制方法进行仿真与实验验证. 研究结果表明:与传统的滑模控制器相比,所设计的控制器具有更快的响应速度和更强的抖振抑制能力,转子达到目标位置的时间缩短了56.4%,系统动态性能得到改善;控制电流的平均值减小了68.5%,系统抑制抖振的能力增强,即算法具有较强的鲁棒性.

基于API 617的磁悬浮流体机械振动与稳定性评估
张越, 徐园平, 周瑾, 周扬
2025, 60(4): 986-992. doi:10.3969/j.issn.0258-2724.20240340
摘要:

为评估磁悬浮流体机械设计的合理性和运行的可靠性,应用API 617标准对其振动和稳定性进行分析. 首先,对API 617标准中关于磁悬浮流体机械的相关规范和要求进行介绍;然后,以一台磁悬浮风机为研究对象,基于API 617标准开展转子动力学分析、闭环传递函数测试、振动分析、稳定性评估等工作. 结果表明:各项指标均满足API 617标准要求,转子运行转速与刚体临界转速、一阶弯曲临界转速之间的分离裕度分别为69.7%和53.8%,设计合理;磁悬浮转子系统建模准确,可用于预测转子的动力学行为;径向磁悬浮轴承系统灵敏度传递函数峰值均处于等级A范围内,轴向磁悬浮轴承处于等级B范围内,满足长期稳定运行要求;运行转速范围内转子振动小于10 μm,远小于振动极限要求.

HTR-PM主氦风机转子系统响应分析与载荷优化
唐晓轩, 杜国伟, 孙喆, 赵雷
2025, 60(4): 993-1002. doi:10.3969/j.issn.0258-2724.20230503
摘要:

针对HTR-PM (high temperature reactor-pebblebed modules)主氦风机磁轴承-转子系统中径向主动磁轴承的参数设计与性能优化问题,首先,通过将期望特性应用于动力学分析对系统边界条件进行梳理;其次,采用瞬态分析法模拟轴承控制参数对系统响应和载荷的影响,得到转子系统满足设计期望的理想控制参数范围;进一步根据该参数范围内转子在不同的转速、等效不平衡、轴承刚度和轴承阻尼下的动力响应结果,分析控制参数与转子响应间的影响,根据其规律求解磁轴承-转子系统在工作频率范围内各频段的最优控制参数;最后,研究归纳磁轴承-转子系统在不同工作条件和性能需求下,响应位移、轴承载荷与磁轴承等效刚度和阻尼比间的变化规律,据此设计并验证根据转子的即时工作频率选取合适控制参数的控制方案. 结果表明:参数选择符合优化条件时,该方法能在满足转子系统工作需求的同时抑制不平衡响应的总体幅值,消除谐振峰,并且轴承处的最大载荷也得到了优化.

磁悬浮控制方向
基于模糊变增益的直线磁力驱动系统超螺旋滑模控制
孙凤, 代雪飞, 赵川, 王鑫, 裴文哲, 金俊杰, 徐方超, 周冉
2025, 60(4): 1003-1012. doi:10.3969/j.issn.0258-2724.20240621
摘要:

针对直线磁力驱动系统的位置跟踪精度易受外部扰动等不确定因素影响以及滑模控制中的抖振问题,提出一种基于模糊变增益的超螺旋滑模控制策略. 首先,介绍直线磁力驱动系统的工作原理,建立含扰动的直线磁力驱动系统数学模型;其次,使用超螺旋滑模算法设计速度控制器,实现系统精确、快速的收敛,并通过Lyapunov函数证明系统稳定性,进一步地,使用模糊算法对超螺旋滑模增益进行自适应调节;最后,对所提复合控制方法进行实验验证. 结果表明:基于模糊变增益的超螺旋滑模控制位置跟踪精度高,响应速度快;相对于超螺旋滑模控制,阶跃位置跟踪响应时间缩短28%,稳态误差从3 μm减小到1 μm,并且没有抖振现象;正弦位置跟踪相位差减小13%,位置跟踪精度提升14%;方波位置跟踪有更好的动态性能;施加扰动后,系统到达稳态时间减小13%,受到负载之后的延迟时间减小80%,抗扰性能大幅提升.

磁悬浮直驱式无油涡旋压缩机模糊PID控制研究
段振云, 刘洋, 孙凤, 史策, 徐方超, 金俊杰, 张晓友, 陈熙
2025, 60(4): 1013-1023. doi:10.3969/j.issn.0258-2724.20240600
摘要:

磁悬浮直驱式无油涡旋压缩机采用电磁力非接触式驱动动涡盘运动. 针对压缩机系统非线性较强、PID (proportional-integral-differential)控制下轨迹跟踪误差较大的问题设计了一种模糊PID控制器,可以在线实时修正控制参数,提高轨迹跟踪效果. 首先,介绍了磁悬浮直驱式无油涡旋压缩机的结构和工作原理,建立电磁驱动力的数学模型和系统动力学模型,并进行系统稳定性分析;其次,添加模糊逻辑,进行模糊控制器设计;最后,在控制参数相同的情况下,将PID与模糊PID 2种控制下的阶跃响应与轨迹跟踪结果进行对比分析. 结果表明:相较于PID控制,模糊PID控制下,阶跃响应时的稳定时间减少0.461 s,稳态误差减小0.012 mm;轨迹跟踪时, X Y 方向达到稳定跟踪的时间分别减少0.365、0.090 s; X Y 方向的最大轨迹跟踪误差分别减小0.043、0.060 mm,最大相对误差分别减小了50%、60%.

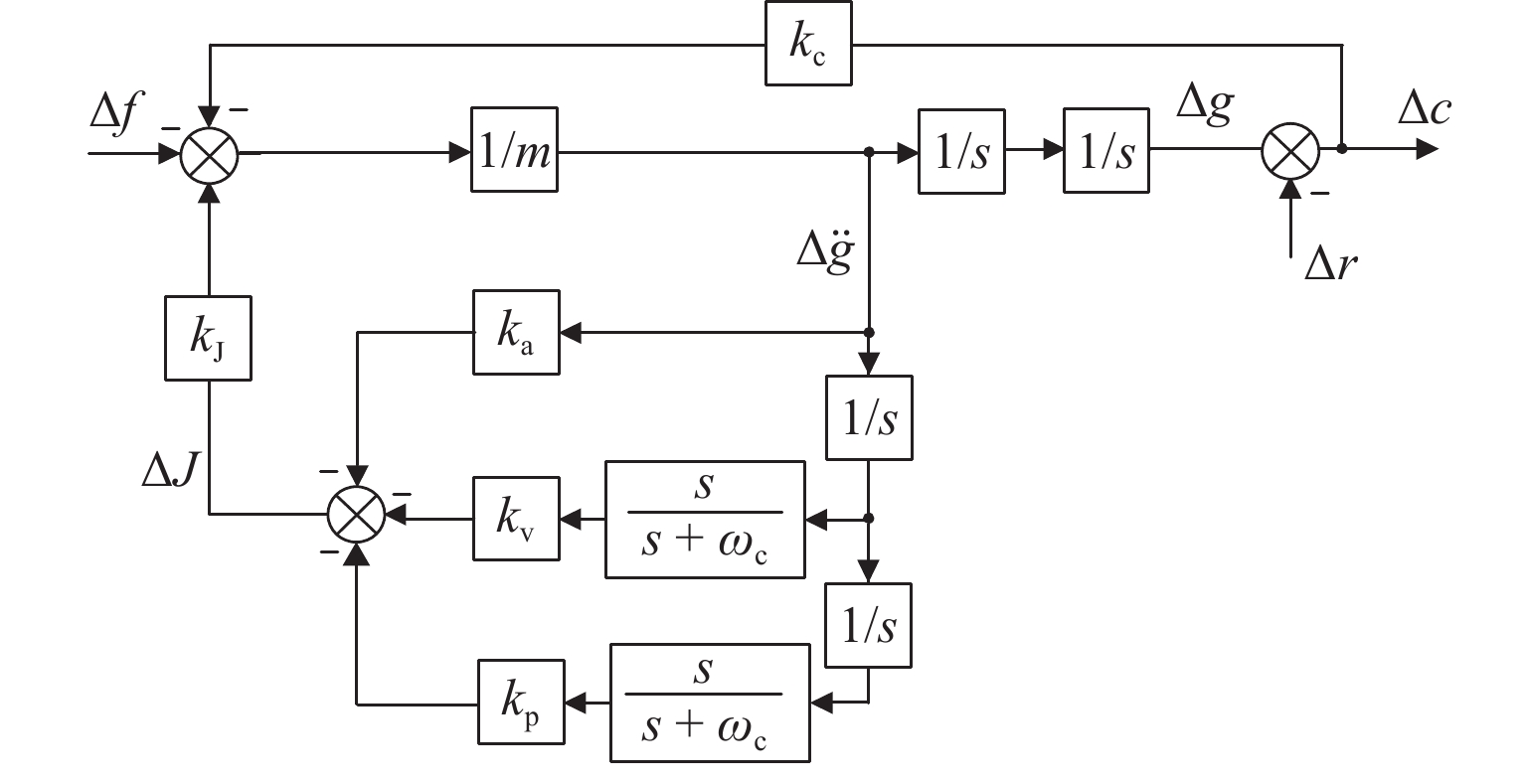
双边永磁电磁混合型电动悬浮加速度反馈控制
罗成, 唐浩, 万郭豪, 王滢, 黎松奇, 罗俊
2025, 60(4): 1024-1031. doi:10.3969/j.issn.0258-2724.20240551
摘要:

为提升永磁电动悬浮动态稳定性及减小低速运行时的阻力,研究一种双边永磁电磁混合型电动悬浮系统. 首先,基于麦克斯韦方程组推导系统电磁力2D解析式,对解析结果进行有限元数值计算验证,并对比单、双边结构电磁力特性;然后,建立系统悬浮动力学模型,并设计加速度反馈悬浮控制器;最后,利用Simulink仿真,对比分析在加速度反馈悬浮控制和气隙反馈PID控制下,系统受到轨道及载荷扰动时的气隙、加速度及电流波形. 研究结果表明:双边结构可有效增加系统浮阻比,100 km/h运行时单、双边结构浮阻比分别为3.18和15.43;当系统受到 ±1 mm轨道扰动时,控制器能使系统振动加速度及悬浮气隙分别快速稳定于0和20 mm额定位置;当系统受到 ± 2000 N载荷扰动时,加速度反馈悬浮控制器可使系统悬浮气隙分别快速稳定于19.05 mm和20.96 mm,而PID控制器则使得线圈电流分别稳定于4.43 A/mm2和 −4.66 A/mm2;当系统稳定运行时,加速度反馈悬浮控制下的线圈稳态电流均为0,而PID控制下的稳态悬浮气隙均为0,且当各种扰动消除后,系统均可快速恢复到初始额定运行状态.

考虑相移补偿的磁浮列车长定子高频注入无传感控制方法
张雯柏, 林国斌, 康劲松, 赵元哲, 廖志明
2025, 60(4): 1032-1041. doi:10.3969/j.issn.0258-2724.20240310
摘要:

为研究高频注入响应电角度相移对磁浮列车低速控制精度的影响,考虑控制延时与采样延时对角度偏差滞后的约束关系,提出一种无传感估计角度偏差最小化寻优的补偿方法. 首先,建立高速磁浮长定子同步电机零低速高频方波信号注入模型,利用估计-实际-延时坐标系变换理论,构建高频响应电流模型;其次,通过分析大功率电传动系统中系统延时对角度偏差的影响,重构含估计角度相移偏差的高频响应电流模型;然后,设计离散化的估计角度偏差目标函数,提出采用考虑梯度变化的二分法在线计算系统延时与角度偏差;最后,通过磁浮电机低速试验平台验证算法. 试验结果表明:本文提出的考虑相移滞后补偿方法与未经补偿的无传感控制相比,当给定电流为20、21、22 A时,估计角度误差分别减小73.3%,70.4%和72.1%;当速度环给定速度为0.8、0.9、1.0 m/s时,估计角度误差分别减小67.9%、70.5%、75.5%,速度跟踪误差平均减小50%.

磁悬浮交叉方向
基于电流变化率增量的悬浮电磁铁故障诊断
蒋启龙, 姚卫丰, 张晔
2025, 60(4): 1042-1049. doi:10.3969/j.issn.0258-2724.20250067
摘要:

为提高复杂工况下悬浮电磁铁线圈故障诊断的准确性,基于故障前、后电流特性变化,考虑温度、加减载、气隙扰动等因素的影响,提出一种基于周期内电流变化率增量的电磁铁线圈故障诊断方法. 通过建立两电平控制下电磁铁线圈输出电流变化率增量的数学模型,分析得到电流变化特性,明确电磁铁线圈匝间短路是电流变化率增量异常的本质因素,即可通过检测电流变化率增量变化来作为故障判断条件;针对间隙变化导致电流变化率增量改变触发误诊断的问题,采用最小二乘法求解实际间隙与正常状态下电量变化率增量的关系式,建立查找表,从而根据间隙变化来实时调整电流变化率增量阈值. 经过仿真和实验验证:该算法适用于磁浮列车的各种工况,鲁棒性强;在线圈短路比5%时,故障诊断准确率高达97%,灵敏度高;能够在一个基波周期内完成故障诊断,诊断速度快.

基于数字孪生模型的磁浮平面电机剩磁补偿
徐逢秋, 邱熠, 何加文, 许贤泽
2025, 60(4): 1050-1059. doi:10.3969/j.issn.0258-2724.20240556
摘要:

为提升磁浮平面电机发生退磁故障后的控制性能,提出一种针对永磁体阵列的剩磁补偿方法,并通过数字孪生模型对所提方法进行有效性验证. 首先,构建基于数字孪生五维模型的磁浮平面电机数字孪生框架,明确5层架构的组成部分;其次,利用磁荷节点模型探讨动子周围磁场与剩余磁化强度的关系,获得剩磁反演表达式,并在运动解耦过程中引入反演获得的剩磁数据,得出剩磁补偿后的控制电流;最后,利用不同退磁分布的磁浮平面电机孪生体数据,反演得到剩磁数值,通过多组轨迹跟踪仿真实验,对比无退磁、忽视退磁影响、剩磁反演补偿3种情况下的运动模拟. 研究结果表明:与忽视退磁影响相比,采用剩磁反演补偿方法,水平方向上进行斜坡轨迹跟踪的均方根误差减小56.5%,最大误差减小40.9%;平面运动阶跃响应稳定时间减少41.3%,超调量减少15.7%;圆轮廓跟踪时,轮廓误差的均方根减小85.0%,最大误差减小38.9%.

基于磁密信号的电磁减振系统故障监测
周冉, 路思佳, 宋园园, 吴利平, 单光坤, 孙凤, 张志强, 曲建真
2025, 60(4): 1060-1070. doi:10.3969/j.issn.0258-2724.20240580
摘要:

当前电磁减振系统故障诊断方面的研究大多基于力学特征(位移信号或加速度信号)展开,而对系统内部磁场信号变化的研究相对较少. 本文以霍尔传感器检测的磁场信号为条件,基于考虑直线电机式电磁减振系统服役状态过程中各故障对气隙磁密信号的影响,对电磁减振系统有限元建模,并分析、探讨故障监测. 首先,对直线电机式电磁减振系统进行磁路分析,建立等效磁路模型,分析各故障对气隙磁密信号影响条件;然后,采用Maxwell电磁仿真平台建立电磁减振系统仿真模型,研究电磁减振系统不同故障下气隙磁场的磁通密度信号参数变化规律;最后,通过获取各故障条件下检测得到的电磁减振系统时频域故障特征信息,使用集合经验模态分解(EEMD)对信号频域特征信息进行经验模态分解,对比分析时频域特征信息,实现对各故障的监测. 研究结果表明:系统正常状态下时域峭度值为1.6,失磁及偏心故障状态下的时域峭度值分别为2.5、6.5,其频域评价指标较正常状态有不同幅度的变化,并通过实验验证了故障监测方法的有效性.

Baidu
map