• ISSN 0258-2724
  • CN 51-1277/U
  • EI Compendex
  • Scopus
  • Indexed by Core Journals of China, Chinese S&T Journal Citation Reports
  • Chinese S&T Journal Citation Reports
  • Chinese Science Citation Database

2019 Vol. 54, No. 1

Display Method:
Application of Digital One-Cycle Control for Current in Electromagnetic Suspension System
JIANG Qilong, LIANG Da, YAN Feng
2019, 54(1): 1-8, 22. doi:10.3969/j.issn.0258-2724.20170771
Abstract:
In an electromagnetic suspension system (EMS) with cascade control, the response speed and accuracy of the current loop play a vital role in the overall suspension control. A current controller was designed for digital one-cycle control (D-OCC) based on TMS320F28335 for the suspension system, in order to improve the response speed of the current loop and reduce the following error. Taking a chopper circuit as the research object, the D-OCC’s mathematical model was established and the control algorithm of rated suspension point was derived in detail. The algorithm was validated through Simulink, and the current loop controlled by D-OCC was incorporated into the actual EMS. Experimental results show that the conventional PID control has a certain overshoot at the wave’s rising and falling edges when a square wave signal with frequency of 5 Hz and amplitude of 3 A is followed. Moreover, there is a following error of not less than 20 mA after the stabilization. However, there is no overshoot in the adjustment process and no following error after stabilization, when following the same wave with the method of D-OCC. This means that the D-OCC algorithm can follow the instruction current quickly and accurately. The floating process of the suspension system using the D-OCC current loop requires an adjustment time of about 0.4 s, and the system can overcome the 50% load disturbance and the 1.5 mm air gap disturbance; this shows that the method can achieve the system stable levitation and has strong robust performance.
Ladder Sleeper Lateral Resistance Test and Contribution Analysis of Ballasted Track
JING Guoqing, JIA Wenli, QIANG Weile, LU Wei
2019, 54(1): 9-13. doi:10.3969/j.issn.0258-2724.20170481
Abstract:
The ladder sleeper with the advantages of good stability, less vibration, and reduction of the dynamic load transferred to the ballast can be used in high-speed, heavy-haul, and urban railways, but its lateral resistance has not been systematically studied yet. In this work, the lateral resistance of different shoulder widths (200, 300, 400 mm, and 500 mm) using the ladder sleeper was measured, and the contribution of lateral resistance was analysed and compared with that of a Chinese Ⅲc sleeper. The results show that for ballasted track with a 500 mm shoulder height and a flat shoulder, the lateral resistance of the ladder sleeper, comparing with the Chinese Ⅲc sleeper, increases 14% and 55%, respectively. The ladder sleeper lateral resistance is identical when the shoulder width increases from 200 to 500 mm. Additionally friction between the bottom of the ladder sleeper and ballast provides 34% of the total lateral resistance, leaving 47% provided by the crib and 19% provided by the end. This test shows that the ladder sleeper can be used in a smaller-section-size ballasted bed and it can largely decrease the construction area and the ballast usage.
Analysis of Dynamics and Wheel Wear of Low Floor Vehicle Based on Different Patterns
LI Jincheng, DING Junjun, WU Pengpeng, YANG Yang, LI Fu
2019, 54(1): 14-22. doi:10.3969/j.issn.0258-2724.20170757
Abstract:
In order to reduce wheel wear of 70% low-floor trams, the steering mechanisms of the rigid wheelset and independently rotating wheels were analyzed. Two vehicle models were considered, i.e. those with traditional rigid wheelsets and with independently rotating wheels in the trailer bogies. In addition, the dynamic performances of these models under different conditions were calculated and compared with wheel wear conditions based on the Archard wear model. The results show that when running on a straight line, the vehicle with rigid wheelsets has better stability and lateral comfort, the wear is located in the middle of the tread and the wear is less. On the other hand, when running on a curve with a large radius, the vehicle with the rigid wheelset shows relatively good stability, lateral comfort, and wear condition. However, with decreased curve radius, the curve performance of the vehicle with rigid wheelset deteriorates rapidly, while the vehicle with independently rotating wheels has smaller variations in all indicators. When radius is 100 m or less, the vehicle with independently rotating wheels has better curve performance and less wear. Especially when radius is 25 m, the wear of independently rotating wheels is approximately 60% of the wear of the rigid wheelset. Vehicles with trailers that adopted rigid wheelsets perform well on a straight line and large radius curve, whereas trailers with independently rotating wheels are more suitable for curves with smaller radius.
Failure and Parametric Analysis of Shield Tunnel Bolts under Impact Load
YAN Qixiang, LI Binjia, CHEN Hang, ZHANG Weilie, DENG Zhixin
2019, 54(1): 23-31, 38. doi:10.3969/j.issn.0258-2724.20160637
Abstract:
In order to study the influence of bolt parameters on bolt failures and segments when a derailed high-speed train impacts a shield tunnel, a numerical model of division assembling the segmental lining of a shield tunnel was established using the finite element software ABAQUS. The contact effect of joint concrete and the connecting effect of joint bolts were simulated approximately by the contact element and the connector element, the latter of which characterises the tensile, shear and flexural stiffness. The failure of bolts with different diameters and strengths was investigated using the impact load curve of a train with speed of 200 km/h and oblique angle of 12.5°. The results show that joint bolts mainly underwent tensile failure and shear failure, and the tension and shear forces of the bolt decreased to zero after the failure. Bolt failures generally appeared in succession according to the direction of train travel. Tensile failure usually occurred at the rear longitudinal bolt of the impacted segment, while shear failure usually occurred at the circumferential bolt and the front longitudinal bolt of the impacted segment. The failure time of the bolt was delayed as the bolt strength grade or diameter increased. The maximum displacement of the impacted segments under different bolt parameters was approximately 6 cm. Increasing the strength grade and the diameter of the bolt would reduce the area and the maximum value of the final displacement of the impacted segment. However, the reduction of the maximum value of the final displacement was within 10%, which means that changing the parameters of the bolt cannot significantly reduce the final displacement of the segment.
Study on Stress Field and Security of Primary Support in High Rock Temperature Tunnel
TANG Xinghua, WANG Mingnian, TONG Jianjun, DONG Congyu, ZHANG Chong
2019, 54(1): 32-38. doi:10.3969/j.issn.0258-2724.20150958
Abstract:
The characteristics and changing behaviour of the initial support in high rock temperature tunnel were studied to evaluate security during the construction process. First, the temperature field of the initial support was analysed during the construction process of high rock temperature tunnel by using thermal-stress coupling numerical simulations and in-situ testing. Second, the stress field of the initial support, which bore the rock load and temperature load, was analysed over the construction process of high rock temperature tunnel. Finally, based on the stress of primary support, the security of primary support in high rock temperature tunnel was evaluated. The results show that the temperature of primary support sharply decreases after tunnel excavation and is equivalent to the air temperature in the tunnel after about 5 days. During the construction process, the maximum tensile stress of primary support first increases and then decreases. However, the maximum compressive stress always increases. With increased initial rock temperature, the maximum tensile and compressive stress of the primary support also increase. The security of the primary support depends on the tensile strength of shotcrete, and the C25 shotcrete will be damaged if the initial rock temperature exceeds 60℃.
Experimentation on Stress Analysis of Arch-Shaped Open Tunnel Structure under Rockfall Impaction
TANG Jianhui, WANG Yusuo, XIE Qiang, PAN Rundong, CHEN Cheng, GUO Xiaohan, LI Maoru, ZHOU Xiaojun
2019, 54(1): 39-47. doi:10.3969/j.issn.0258-2724.20180429
Abstract:
In order to study the stress characteristics of the arch-shaped open tunnel structure under rockfall impaction, the magnitude and distribution characteristics of crosswise strain, axial force and moment in different parts of the impaction cross-section of the structure were analysed by a 1∶30 reduced scale model test, with changes of the rockfall mass and the backfill thickness. The trend of maximum internal force peak with backfill thickness was also analysed. Finally, the stress pattern of arched open tunnel structure covered with backfill under rockfall impaction was summarized, in terms of the deformation, moment and axial force of the structure. The results indicate that the mechanical response of the vault is the most significant, followed by the spandrel, inverted arch and the hance. The stress pattern of the structure for the vault is axial tension, and for the spandrel and the lower part is axial compression.This is different from the load-structure mode of the static analysis lining-structure of the tunnel or the open tunnel. Hence safety check and computation of the vault structure cannot be carried out according to the eccentric compression component of plain concrete in the tunnel design code, and other solutions should be devised. The increase of backfill thickness is beneficial to the structure of vault, spandrel and inverted arch, but is not necessarily good for hance, and it needs to be analysed by combining the size of rockfall with the form of side wall and backfill way in the design.
Pre-excavation Grouting to Prevent Water Inflow of Jointed Rock in Underground Construction
LIU Rentai, ZHENG Zhuo, LI Shucai, ZHANG Qingsong
2019, 54(1): 48-54. doi:10.3969/j.issn.0258-2724.20170551
Abstract:
Fracture frequency information was acquired by drilling for pre-excavation grouting for underground construction fracture water inflow. The permeability coefficient of the surrounding rock mass was measured by pump-in tests on each section. The measured data were analysed by employing statistical methods to determine their statistical rules. According to the water inflow calculation theory, in combination with the designed water inflow control criterion, the minimum value for the fracture width to be sealed was calculated, which provides a criterion for the selection of grouting materials. According to this, the spreading rule was analysed, and grouting methods and parameters were determined. The flow dimension theory was used to analyse the pressure-quantity-time curves during grouting. After grouting, the sealing efficiency was evaluated by excavation. The results show that obvious water seepage existed in the vault and side walls, which reached requirement on seepage water control criterion of no more than 0.01 m3/h. The actual water inflow was 50% lower than the predicted value, which was within the acceptable range.
Research on Similar Materials for Physical Model Tests of Rock Slopes
ZHANG Yanjun, NIAN Tingkai, WANG Liang, TANG Jun
2019, 54(1): 55-60, 72. doi:10.3969/j.issn.0258-2724.20160366
Abstract:
In the selection and manufacture of similar materials for physical model tests of rock slopes, only the similarities in the magnitudes of density, cohesion, internal friction angle and elastic modulus were generally taken into consideration. The ability of the obtained similar materials to reproduce the strength and deformation behaviors of rock masses under complicated stress conditions was typically not considered. First, limestone and sandstone were herein selected as sedimentary rock prototypes, according to the stratigraphy of Wenchuan earthquake-induced landslides. After the primary control indexes and manufacturing process were determined, two common configuration methods for similar materials in geological models were used to manufacture the standard samples for triaxial compression tests. Finally, static triaxial compression tests of the standard samples were conducted to study the stress-strain behaviors and failure modes of two similar materials under various confining pressures. The experimental results indicated that, before the shear failure of standard samples, the stress-strain curves of two similar materials were observed to have a linear elastic relationship under the different confining pressures, and were in accordance with those of the actual rocks. When shear failure of standard samples occurred under different ratios of confining pressure to uniaxial compression strength, the ratios of the deviatoric stresses acting on the samples to the corresponding uniaxial compression strengths were close to those of the actual rocks, whereas the failure strains of similar materials were less than those of the actual rocks.
Discontinuities and Engineering Geological Significances of Strong Earthquake-Induced Daguangbao Landslide
CUI Shenghua, PEI Xiangjun, HUANG Runqiu, ZHANG Weifeng, LIANG Yufei
2019, 54(1): 61-72. doi:10.3969/j.issn.0258-2724.20160480
Abstract:
The Daguangbao (DGB) landslide is the largest landslide triggered by the 2008 Wenchuan earthquake and considered as one of the largest of these events in the world. In this paper, the geological cause of the DGB landslide was analysed on the basis of rich photographs, remote sensing images, and orientation data. The discontinuity features of the landslide scarp, slip zone, and deposition were investigated firstly, and then the formations of these discontinuities were studied. The effects of strong seismic shaking, geological discontinuities, and ground water on the DGB landslide were discussed. The results showed that the initiation and deposition of the DGB landslide were dominated by geological discontinuities such as local faults, bedding faults, and joint sets, which were developed during the formation of an anticline. Strong ground shaking of the Wenchuan earthquake induced the failure of these geological discontinuities, and ground water might have finally initiated the DGB landslide during the earthquake-induced discontinuity connectivity.
Research on Wetting-Deformation Regularity and Microstructure Evolution Characteristics of Remoulded Loess in Triaxial Soaking Tests
GUO Nan, CHEN Zhenghan, YANG Xiaohui, ZHOU Yong, XIAO Wencheng
2019, 54(1): 73-81, 90. doi:10.3969/j.issn.0258-2724.20160736
Abstract:
To explore the wetting-deformation regularity and microstructure evolution characteristics of filled soil, three groups, 17 samples, of immersed anisotropic consolidation tests of reshaped Q2loess in the Yan’an new district were studied using the improved unsaturated soil triaxial apparatus with computed tomography (CT). The CT scanning was applied to the two sections of the samples in the triaxial soaking studies. The macroscopic deformations, soil samples’internal mesoscopic structure evolution CT images and the corresponding CT data were obtained in the consolidation and the wet process of the soil sample. Structural parameters and structural evolution variables of the soil were defined based on the CT data. The results show that the dry density, net confining pressure, matrix suction, and deviatoric stress have a significant influence on the wetting deformation characteristics. Increased dry density can effectively reduce the wetting deformations and the risk of wet shear failure. (The strains of the dry density specimen at 1.52 g/cm3and 1.69 g/cm3during immersion were –0.58% to 4.66% and –0.58% to 2.43%, respectively, and the strain of the dry density specimen of 1.79 g/cm3was 0.019%.)The CT data of all samples increased, indicating that the specimens become more and more compacted due to humidification deformation. In the early stage of immersion, the original structures of the soil samples were destroyed, and the change of CT data was more severe, reaching 60% of the total change. Meanwhile, the result is affected by the dry density, net confining pressure, suction, deviatoric stress, and moisture content. These results are valuable for the design of filled soil engineering and provide a scientific basis to establish the structure of the unsaturated remoulded loess damage evolution equation and the structural model.
Experimental Study of Stick-Slip Behaviour of Dry Granular Materials
CUI Deshan, CHEN Qiong, XIANG Wei, LIU Qingbing, WANG Jing’e, HUANG Wei
2019, 54(1): 82-90. doi:10.3969/j.issn.0258-2724.20160615
Abstract:
The stick-slip characteristics of glass beads were analysed based on an indoor triaxial test to investigate the mechanism of shallow vibration. Glass beads with diameters of 0.6–0.8 mm were used to conduct consolidated and undrained triaxial tests under cell pressures of 30, 60, 100, 200, 400, and 600 kPa at an axial strain rate of 0.02 mm/min. The results show that the deviator drop and the interval strain between the maximum deviator drops increase with cell pressure. In addition to the first compaction, the volumetric strain drops in the volumetric curve are related to the stick-slip. Under confining stresses of 30, 60, and 100 kPa, a large number of sharp and narrow peaks and valleys appear in the curve of cell pressure versus strain. Only sharp and narrow valleys are observed under confining stresses of 200, 400, and 600 kPa. It is found that static friction and sliding friction affect the stick-slip characteristics of the glass beads by observing the surface of the glass beads before and after the triaxial compression test. Finally, the continuous deformation and destruction of the force chain between the glass beads are the causes of stick-slip in the glass beads.
Experimental Study on Permeability of Mining-Cracked N2Laterite
WANG Qiqing, LI Wenping, PEI Yabing, LÜ Chengcheng
2019, 54(1): 91-96. doi:10.3969/j.issn.0258-2724.20160611
Abstract:
The laterite of Neogene pliocene series (N2), abbreviated as N2laterite, over coal seams distributed widely in the mining area of western China is the key aquifuge soil for protecting the shallow water from being destroyed by coal mining. The permeability change induced by soil-water interactions of mining-cracked N2laterite was studied. On the basis of analyzing the mineral composition and swelling properties of N2laterite, the water inrush evolution process induced by soil-water interactions of mining-cracked N2laterite was studied quantitatively using self-made experimental equipment. The results show that there is a high content of hydrophilic minerals in the clay minerals of N2laterite, such as montmorillonite and illite/montmoduonite interstratified, therefore N2laterite is more hydrophilic and has strong expansionary. During the early stages of soil-water interactions of mining-cracked N2laterite, the accumulation of loose particles and the collapse of fracture edges were more intense, and the degree of fracture closure was larger. In the 100 minutes of the whole water inrush test, the amount of crack closure in the first 15 minutes accounts for about 60% of the total closure degree. In addition, the change of water inrush volume can be divided into three typical stages, namely, the rapid decline stage, the slow decline stage, and the stable stage. The greater the crack width is, the longer the water inrush stability time. The relationship between the permeability induced by soil-water interactions of mining-cracked N2laterite and time is a negative exponential relationship.
Discussion on Slope Stability Analysis Method of Abandoned Dreg Site Based on Spatial Effect
SUN Chaoyi, CHEN Congxin, ZHENG Yun, LU Zude, DENG Yangyang
2019, 54(1): 97-105. doi:10.3969/j.issn.0258-2724.20170607
Abstract:
An abandoned dreg site is a common occurrence in construction projects. There are numerous factors that influence the slope stability including the spatial effect of the concave and convex form, and side-body-end and slope strike, which play vital roles in slope stability analysis. In order to investigate the effect of slope strike on slope stability, an abandoned dreg site in a Nuclear Power Plant was considered, of which the strike is a broken line (i.e., an angle of strike exists between the upper region and the lower region) to discuss the method of slope stability analysis. The effect of the angle of strike was then studied for potential failure mechanism of the abandoned dreg site via geotechnical field investigation and region division using a 3D-model that was constructed using ANSYS, and an analysis of the slope stability by the strength reduction method in FLAC3Dwas conducted. Finally, the imbalance thrust force method was proposed, taking into consideration the angle of strike. An analysis of the effect of the angle of strike and the dip of slope for stability was then performed. The results indicate that the angle of strike has an effect on the distribution of the stress field and the capability for force transmission. Hence, slope stability will be improved with an increase of the strike angle, and safety factors will increase significantly when the strike angle is more than 60°. In addition, there is a significant increase in safety factors with an increase in the angle of strike, while the dip of the slope crest increases and the dip of slope toe decreases. The results provide a scientific reference to evaluate the stability and design treatment for slopes, where the strike is a broken line.
Virtual Experiments to Predict Bolster Fatigue Lifetime Based on FEM Model Validated by Static Tests
HU Jiexin, XIE Liyang, YU Haiyang, LIU Longxi, YIN Wei, HU Zhiyong
2019, 54(1): 106-112. doi:10.3969/j.issn.0258-2724.20160536
Abstract:
To study the service safety of a metro train bolster, a virtual experiment method was used to evaluate fatigue lifetime, avoiding time-consuming and expensive fatigue tests. A static test of the bolster was designed based on the EN12663-1 standard, and the stresses and displacements on its surface were measured. An FEM model of the bolster was then established and analysed for comparison with the static test results; an FEM model that is consistent with the actual structure was thus determined. Finally, virtual experiments of the bolster under constant amplitude loads and variable amplitude loads were conducted using a Monte Carlo method. It is concluded that the fatigue reliability of this bolster with 107loads cycles is 0.73 under constant amplitude loads and 0.81 under variable amplitude loads. This metro train bolster therefore meets the design and service requirements.
Analysis of Required Separation Distances of High-Pier Bridges Subjected to Non-stationary Ground Motions
LI Lanping, BU Yizhi, JIA Hongyu, ZHANG Ming, LI Xi
2019, 54(1): 113-120. doi:10.3969/j.issn.0258-2724.20180039
Abstract:
To investigate the influence of non-stationary ground motions on required separation distances, the influence of site conditions on non-stationary gap under different intensities was analysed based on the random vibration theory and pseudo excitation method. First, the mathematical formulation clarifying the relationship between the required relative displacement and earthquake intensity was derived. Second, the minimum gap required between two adjacent girds to prevent seismic pounding was determined from the maximum relative displacement based on theoretical analysis. Finally, a real continuous rigid bridge was used to obtain the required gap length spectrum between two adjacent decks for considering non-stationary seismic excitations with different intensities under different local site conditions. Furthermore, the influence of actual site conditions and uniform site conditions on the required separation distance was investigated. Numerical results reveal that actual site conditions have the most obvious effect on the time-dependent mean square deviation of relative peak displacement, which is four times the corresponding value for firm site conditions. The mean values of the required separation distance for different intensities are larger than the corresponding values for uniform site conditions by 36%, 69%, and 73% for soft sites, median sites, and firm sites, respectively, whereas the mean square deviation is 45%, 74%, and 78%, respectively. The required separation distance under stationary seismic excitations is 20%–30% larger than that under non-stationary seismic excitations.
Buffeting Response and Equivalent Wind Load of Single Cantilever Corridor Bridge in Mountainous Areas
SU Yi, LI Mingshui, YANG Yang, DUAN Qingsong
2019, 54(1): 121-128. doi:10.3969/j.issn.0258-2724.20170647
Abstract:
In order to study the buffeting response and the wind loading of a cantilevered pedestrian bridge in windy mountainous, a corridor bridge model was put in a wind tunnel to obtain its aerostatic force coefficients and buffeting responses. The maximum equivalent wind load in the transverse direction was calculated according to the bridges structural code and compared to the experimental results. The complex mountainous terrain has a significant influence on the structural aerostatic force coefficients and the buffeting responses, although neither of their maximums arises due to the general wind yaw. The structural buffeting responses increase with higher wind speeds, while are affected little by the wind attack angles in a small range. The lateral buffeting response is neither sensitive to turbulence intensity nor the turbulence integral scale. The vertical and torsional responses show an uptrend with increasing turbulence intensity, and both increase by around 15% when the turbulence intensity increases by around 40%. The vertical responses increase by about 9% if the turbulence integral scale increases by about 20%, while the lateral responses are affected little by a change in integral scale. In spite of the small influence of the turbulence integral scales on the lateral responses, the torsional responses vary greatly at different wind attack angles. At an attack angle of 3°, the torsional responses increase by around 8% with the increased integral scale, but they are influenced little by the change in integral scale at a 0° attack angle. Compared with the lateral wind loading found in the wind tunnel, the maximum equivalent calculated from the bridges structural code seems too conservative, and hence the code’s static gust factor should be further investigated.
Fatigue Experimental Analysis of Damaged Steel Beams Strengthened with Prestressed Unbonded CFRP Plates
YE Huawen, LI Xinshun, SHUAI Chun, QU Haobo, XU Xun, WEI Xing
2019, 54(1): 129-136. doi:10.3969/j.issn.0258-2724.20180297
Abstract:
Aged steel bridges are prone to fatigue cracking, which is a challenging problem for the safety of bridges during their service. An experimental and theoretical study was conducted to improve the fatigue performance of notched steel beams strengthened with prestressed unbounded carbon-fibre-reinforced polymer (CFRP) plates. The Paris law was used to obtain theS-Ncurve of the reinforced steel beam, and the effect of the prestress level on the fatigue life was presented. Double-edge-notched large-scale specimens were strengthened using an unbonded CFRP plate with different prestressing levels and were thereafter tested under cyclic loading. Experimental results show that prestress reduces both the crack growth rate and stiffness decay of the specimens by up to 40%, and thus, the fatigue life is extended by more than three times. The specimen with the highest prestress level exhibits the best performance, extending the fatigue life by more than eight times. Moreover, prestressed CFRP reinforcements upgrade the fatigue category of the notched beam from 51 MPa to 75 MPa. The theoretically predicted results are reasonably consistent with the experimental results, and the proposed method is recommended for lifetime evaluations of components.
Research on Equivalent Static Load of High-Rise Buildings Based on Wind-Induced Responses
LIN Yongjun, LIN Chitan, LIU Xianming, ZHANG Jing, SONG Jirong
2019, 54(1): 137-144, 188. doi:10.3969/j.issn.0258-2724.20170654
Abstract:
To study the influence of dynamic response of a high-rise building under wind loads on the along-wind equivalent static wind load, the wind-induced response of high-rise buildings was studied using the random vibration mode decomposition method. This method is based on the wind-induced response dynamics theory, the relationship between the pulsating wind power spectral density function and the coherent function, and the quasi-stationary relationship of the pulsating wind speed. First, theoretical analyses of the average wind response, background wind response, and resonance wind response of high-rise buildings were performed, and the theoretical calculation formula of the along-wind equivalent static wind load of high-rise buildings along its height was deduced. Second, the influence of each parameter on the calculation result in the theoretical formula is analysed, and a simplified calculation method for the along-wind equivalent static wind load of the high-rise building is presented, which is convenient for practical applications. Finally, four typical example models of high-rise buildings are designed and compared with the gust load factor(GLF)and inertial wind load(IWL)methods, and the feasibility and effectiveness of our method are investigated. The results demonstrate that when the height of the structure is less than 250 m, the deviations of the distributed wind force, shear force response, and bending moment response calculated by the three methods are large, the calculation result by the GLF method is the largest, and the calculation result by the IWL method is the smallest; the method proposed in this paper is between the two; when the structural height is greater than 350 m, the deviation of the distributed wind force is within 15%, and the deviation between the shear response and the bending moment response is within 10%; the difference between our proposed method and the IWL method in that the shear response is between –1% and 18% and that the difference between our method and the GLF method is between –12% and 5%; when our proposed method and the IWL method are applied to the moment response, the difference rate is between –6% and 10%, and the difference with the GLF method is between –16% and 5%.
Research on Mechanical Behaviours of New Joints of Single-Layer Reticulated Shells
CAI Jian, WANG Yongqi, CHEN Qingjun, JIANG Zhengrong, QIAN Quan, ZUO Zhiliang
2019, 54(1): 145-153. doi:10.3969/j.issn.0258-2724.20170575
Abstract:
A new kind of welded end-plate joint for a reticulated shell with a rectangular cross-section rod was proposed. To investigate the mechanical behaviour of the proposed joint, a test model at a scale of 1∶2 was designed and subjected to static loading tests. Load-strain curves, load-displacement curves, and failure modes were obtained, showing the joint’s performance to be low stresses at a reasonable level of detail. After validating the results of numerical models, the effect of the ratio of end-plate thickness (t1) to tube thickness (t2), the angle between the tubesαand the out-of-plane angleβon distortion of the joint, failure mode, and strain distribution were analysed. The results showed that the joint possessed a good load-bearing capacity; the angleαhas a significant impact on this index, with 60° being a critical point. On the basis of the finite element analysis results, a formula that could provide a reference for design work was introduced for calculating the bearing capacity of the joint.
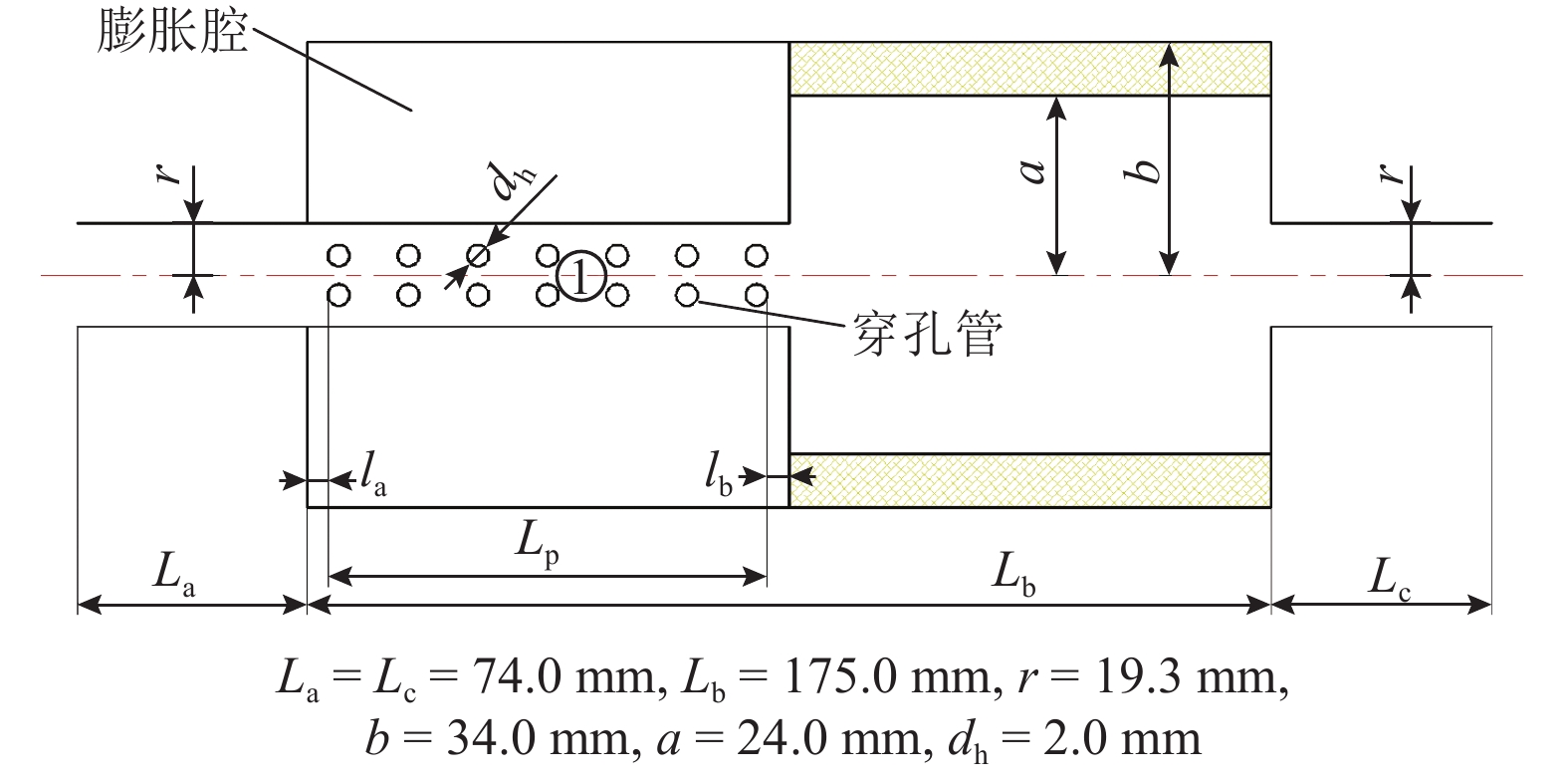
Filtering Characteristics of Hydraulic Suppressor with Compressible Liner
YANG Fan, DENG Bin, WANG Yuqiang, LI Zhiwei
2019, 54(1): 154-159. doi:10.3969/j.issn.0258-2724.20170438
Abstract:
An improved expansion chamber hydraulic noise suppressor with a compressible polyurethane liner was introduced to improve the pulsation attenuation performance of conventional suppressors. The filtering characteristics of this improved configuration were studied based on the characteristics of distributed and lumped parameters. First, a distributed parameter model of a conventional expansion chamber was developed using a one-dimensional (1D) analytical approach. Theoretical insertion loss (IL) is in good agreement with the experimental results. This illustrates that the method is also applicable to hydraulic suppressors. Then, a distributed parameter model of the perforated tubes in this improved structure was developed by utilizing the 1D method. A lumped parameter model works well for modelling the behaviour of the compliant lining part. Finally, the effects of voiding, porosity, and hole diameters on the performance of the improved expansion chamber hydraulic suppressor were studied. The results show that within frequencies of 500 Hz, voided urethane lining can remarkably improve IL at 2.76, 4.14 MPa, and 4.83 MPa. IL is affected by different hydrostatic pressures, regardless of whether the liner is voided or not. The effect of porosity and hole diameters on IL is marginal.
Aerodynamic Noise Investigation of Metro Vehicle Auxiliary Converter
DING Jie, ZHANG Ping, LIU Haitao, LI Hua, ZHAO Qingliang, WANG Yongsheng
2019, 54(1): 160-167. doi:10.3969/j.issn.0258-2724.20170187
Abstract:
To solve the problem of a 1.5 dB (A) noise excess in a metro vehicle auxiliary converter, the aerodynamic noise characteristics of an auxiliary converter are investigated by combining a numerical simulation with a noise test. First, the noise from aerodynamic sources in the auxiliary converter was calculated using a large eddy simulation. Then, the sound propagation of aerodynamic sources of noise through ducts and surrounding spaces was calculated, based on an acoustic analogy method. Finally, the vortex and noise distribution contours in the fan and duct area were analysed, and trends in the simulation and test results of the sound pressure level spectrum at the test points were compared. The results indicate that at a distance of 0.4 m from the outlet, the peak frequency is 290 Hz under both conditions, and there is a 5% difference in amplitude. This demonstrates that the simulation method is correct and feasible. The vortex and noise distribution contours in the fan and duct area indicate that the inhomogeneity of air velocity at the fan inlet, and the significant vortex in the vicinity of the blade, are major contributions to the primary noise source, which is around the fan. By adding a thin, square-shaped honeycomb in front of the fan inlet, the velocity is rendered more uniform, and the overall sound pressure level is reduced by approximately 2.5 dB (A) at the test point.
Study on Leachate Recirculation Volume of Aerobic Bioreactor Landfills
QIU Zhongping, LI Mingxing, LIU Yang, TANG Jian, WANG Wencan, HUA Jianjun, MENG Tao, TANG Guoxiong
2019, 54(1): 168-172. doi:10.3969/j.issn.0258-2724.20180478
Abstract:
To study the influence of leachate recirculation on the stabilization process of aerobic landfills, an experiment was conducted to assess the variation trend of solid waste and leachate characteristics in an aerobic landfill with different recirculation rates. The landfill period was 122 days. Results showed that the water content of landfill refuse in each reactor remained at about 70% under different leachate recirculation rates. The total organic carbon content, (hemicellulose + cellulose)/lignin ratio(Q), and sedimentation of landfill refuse with 20% recirculation changed fastest in the landfill process. At the end of the landfill period, the mass content andQof landfill leachate were 8.9%–14.6% and 9.9%–16.9% lower, respectively, than that of other reactors, and the sedimentation was 6.6%–13.3% higher than that of other reactors. The amount of reductive organic matter in the leachate during the whole process with the recirculation volume as 20% was 9.8%, 12.5%, 17.8%, and 14.9% lower than that of 10%, 15%, 30%, and full recirculation, respectively, and the ammonia nitrogen was reduced to 25 mg/L, which met the concentration of ammonia nitrogen discharge in landfill leachate of GB 16889—2008, in 52 d, which was 7–21 d earlier than the other reactors.
Two-Stream Neural Network Fusion Model for Highway Fog Detection
XIANG Yu, CONG Deming, ZHANG Yang, YUAN Fei
2019, 54(1): 173-179. doi:10.3969/j.issn.0258-2724.20180205
Abstract:
The real-time detection of weather conditions on highways has a significant impact on high-speed traffic safety. However, the weather forecast reports weather conditions over a wide range of areas only, which cannot meet the demand of real-time detection of weather conditions in various sections of high-speed traffic. Therefore, we present here a two-stream neural network fusion model for fog detection, which detect current weather condition for the surveillance area automatically. This model is based on a dual branches of deep neural networks, which integrates visual depth maps and dark-channel images for fog detection. These two modalities of features are discriminative in representing the pattern of fog and extracted from the surveillance video frame. The intermediate scores produced by the neural networks are fed into a mean fusion layer for the final prediction. To comprehensively evaluate the performance of our algorithm, we built an Express Way Fog Detection dataset (EWFD), which covers highway scenes across multiple provinces of China. A variety of highway weather conditions are contained in the EWFD. We conducted a comprehensive analysis and comparison experiment on the EWFD dataset. The results of the experiment also demonstrate that the two-stream neural network fusion model proposed here achieved an accuracy of 93.7%, which is a more than 10% improvement compared to the state-of-the-art classification method ResNet-101.
Air Route Crossing Angles Optimization Model with Different Preferences
DAI Fuqing, PANG Bizhao, ZHAO Yuandi
2019, 54(1): 180-188. doi:10.3969/j.issn.0258-2724.20170798
Abstract:
In order to investigate the internal mechanism of influence on air traffic posed by airspace structure and to clear bottlenecks of air traffic operation at air transit network nodes, the optimization of air route crossing angles was studied. After analysing the relationship between flight time, fuel consumption, and the angles of basic intersection route structure, an integrated crossing route angle structure was set up. Then, based on the air traffic flow distribution trait of the crossing routes, a preference mathematical model was developed to optimize the crossing angles in terms of flight time and fuel consumption. Finally, a representative crossing route was selected to verify the proposed model. The results show a negative linear correlation between flight time and fuel consumption and a 0.54% increase in total flight costs if flight time is solely considered versus a 2.89% decrease if only fuel consumption is taken into account. There is, however, a 3.82% reduction in total flight costs without preferences or 5.26% (the minimum value of total flight costs obtained when flight time coefficient equals 0.4) with preferences. The average amounts of fuel consumption density, flight conflicts, and controller workloads also declined 20.41%, 56.12%, and 46.24%, respectively, but the original airspace angle structure changed a mere 11.88% after the optimization.
Driver Behavior Response to Drowsiness Alarming at Different Levels
XU Chuan, GUO Qiming, WANG Xuesong
2019, 54(1): 189-195. doi:10.3969/j.issn.0258-2724.20180254
Abstract:
To identify the timing of drowsiness driving warning is the key issue and a bottleneck of onboard drowsiness driving warning technology. Finding a rationale for warning timing using driver’s driving behavior response feature is an innovation. Therefore, after conducting a driving simulator experiment under the influence of drowsiness alarming, eye movement index, the percentage of eyelid closure (PERCLOS), and vehicle lateral position indexes (standard deviation of lateral position, average of lateral position, area of line exceeding) were recorded. Then, the differences in driving behavior between the pre-warning and post-warning in 15 seconds for each warning were compared using the paired Wilcoxon signed-rank test. The results demonstrated that under the drowsiness classification criterion, after the normal level of drowsiness warning, the mean of the standard deviation of lateral position and the mean of the area of line exceeding significantly dropped down by 0.129 1 and 8.574 4 respectively; after the serious level of drowsiness warning, although the mean of PERCLOS decreased by 0.044 9, the standard deviation of the lateral position and area of line exceeding did not significantly change and that the driver should stop and rest immediately.
Transient Analysis of ZPW-2000 Track Circuit Based on FDTD Interface Method
WANG Zicheng, GUO Jin, ZHANG Yadong, SU Lina, SUN Ningxian, CHEN Mingbao
2019, 54(1): 196-201, 218. doi:10.3969/j.issn.0258-2724.20180020
Abstract:
A track circuit performs a transient process when a train enters or departs a section. Therefore, its circuit state can be judged by the transient change of signals at the receiving end. The finite-difference, time-domain (FDTD) is a common numerical solution for the transmission line. However, the structure of the ZPW-2000 track circuit is more complex than that of general ones. Thus, the direct FDTD method does not work well. Therefore, an FDTD-based transient analysis method and an alternative transient program-electromagnetic transients program (ATP-EMTP) interface model for a ZPW-2000 track circuit is introduced. The entire module is divided into two parts: transmission line and centralised parameter network. The two parts are related by a controlled current source. The transmission line is solved using FDTD, and the centralised parameter network is solved using the ATP-EMTP. The simulation results of the ZPW-2000 track circuit show that the ballast and shunt residences have great impacts on the receiving-end signals. When the ballast resistance falls to 0.6 Ω•km, the receiving-end voltage drops from 2.0 V to about 0.5 V; when the shunt resistance increases to 0.2 Ω, the residual voltage at the receiving end rises to about 1.0 V. If only the threshold comparison method is used, the state of the track circuit is indistinguishable. However, a transient mutation ccurs in the receiving-end signals when the train enters or departs. This can be used to determine the shunt state of the track circuit.
Efficient Privacy-Preserving Authentication Protocol for Mobile Cloud Computing Services
XIONG Ling, PENG Daiyuan, PENG Tu, LIANG Hongbin
2019, 54(1): 202-210. doi:10.3969/j.issn.0258-2724.20170596
Abstract:
To address the problems of mutual authentication and privacy preservation in mobile cloud computing (MCC) services, an efficient and provably secure privacy-preserving authentication protocol, based on an identity-based signature technique, is proposed for MCC services, achieving authentication without the help of a trusted third party. Additionally, because a multi-server authentication technique has been employed in the proposed scheme, mobile users can access all registered servers, which are registered only once at the registration centre. In the proposed scheme, time-consuming operations such as bilinear pairings and map-to-point hash are avoided in the resource-constrained mobile device. Thus, the running time of our scheme in the mobile device is 45.242 s, and the computational efficiency is approximately twice as fast as existing related schemes. Security analysis shows that our scheme can provide a variety of security features, such as user anonymity and untraceability. Moreover, it can resist wrong password loginand update attack
Parallel Algorithm for Overlapping Community Detection in Complex Networks
TENG Fei, DAI Rongjie, REN Xiaochun
2019, 54(1): 211-218. doi:10.3969/j.issn.0258-2724.20160478
Abstract:
With the increasing size of complex networks, traditional detection methods are difficult to scale to larger networks. This paper proposes a parallel hierarchical link(PHLink) algorithm to discover overlapping communities. By studying the power-law degree distribution of complex networks, we distinguish the motivations of why two nodes intend to establish a connection so that the complexity for community detection can be reduced. PHLink is implemented using distributed computing for large-scale networks via graph segmentation and redundant storage. Experiments validate that PHLink can accurately discover network communities and the overlaps between them. For scale-free networks, removing 0.1% of the hub nodes reduces the computation time by 94%. Meanwhile, PHLink demonstrates good speed-up and scale-up on Hadoop, which can scale to very large complex networks with millions of edges.
Baidu
map