• ISSN 0258-2724
  • CN 51-1277/U
  • EI Compendex
  • Scopus 收录
  • 全国中文核心期刊
  • 中国科技论文统计源期刊
  • 中国科学引文数据库来源期刊

2023年 第58卷 第6期

显示方式:
镓基液态金属在电热力学领域的研究进展与展望
高国强, 彭伟, 马亚光, 钱鹏宇, 向宇, 王青松, 闫丽婷, 吴广宁
2023, 58(6): 1203-1220. doi:10.3969/j.issn.0258-2724.20220732
摘要:

液态金属兼顾液体和金属的特性,其研究与应用在工学各领域兴起. 镓基液态金属常温下呈液态,具有高沸点、高电导率、高热导率、安全无毒等优良特性,在电学、热学、力学和生物医疗等诸多领域取得了广泛的应用. 目前,镓基液态金属已成为前沿研究热点. 通过综合对比国内外研究现状,介绍镓基液态金属的制备方法及其性能改善的措施,分析几种典型镓基液态金属的理化性质,总结镓基液态金属在电力设备、柔性电子、电源储能、散热冷却、载流摩擦、极压润滑等应用领域的功能原理与研究进展,并提出其未来研究重点. 基于镓基液态金属合金的特性,对其在材料改性、新型电子器件、太阳能电池、轨道交通、电磁弹射等领域具有的应用潜力进行分析和展望.

考虑两阶段电转气的区域综合能源系统优化调度
陈维荣, 冉韵早, 韩莹, 李奇
2023, 58(6): 1221-1230. doi:10.3969/j.issn.0258-2724.20210605
摘要:

针对区域综合能源系统的弃风弃光问题和经济成本最优问题,提出一种考虑电转气(P2G)两阶段模型的区域综合能源系统优化调度方法. 首先,以电-气-热-储-氢耦合的区域综合能源系统作为研究对象,建立系统各设备模型及P2G两环节模型;接着,在相关功率约束条件下建立系统优化调度模型;在此基础上,引入激励型电力需求侧响应,采用混合整数规划YALMIP函数对其优化,得到优化后负荷曲线,通过改变可转移负荷的用电时间以提升系统的经济性;再次,以日运行成本最小为优化目标,使用混合整数线性规划方法求解优化调度方案,并计算相应的成本;最后,结合某一地区的历史数据,利用本文所提出的优化调度方法求解电-气-热-储-氢耦合区域综合能源系统的优化调度结果,并开展不同季节、是否含P2G环节、是否考虑需求侧响应影响因素下的技术经济分析,验证了该方法的合理性和有效性. 研究结果表明:考虑两阶段P2G环节后,冬、夏季系统弃风弃光量均大幅减少,经济成本分别减少32.62%和61.64%;考虑需求侧响应后,冬季系统经济成本减少比例进一步提升至33.69%.

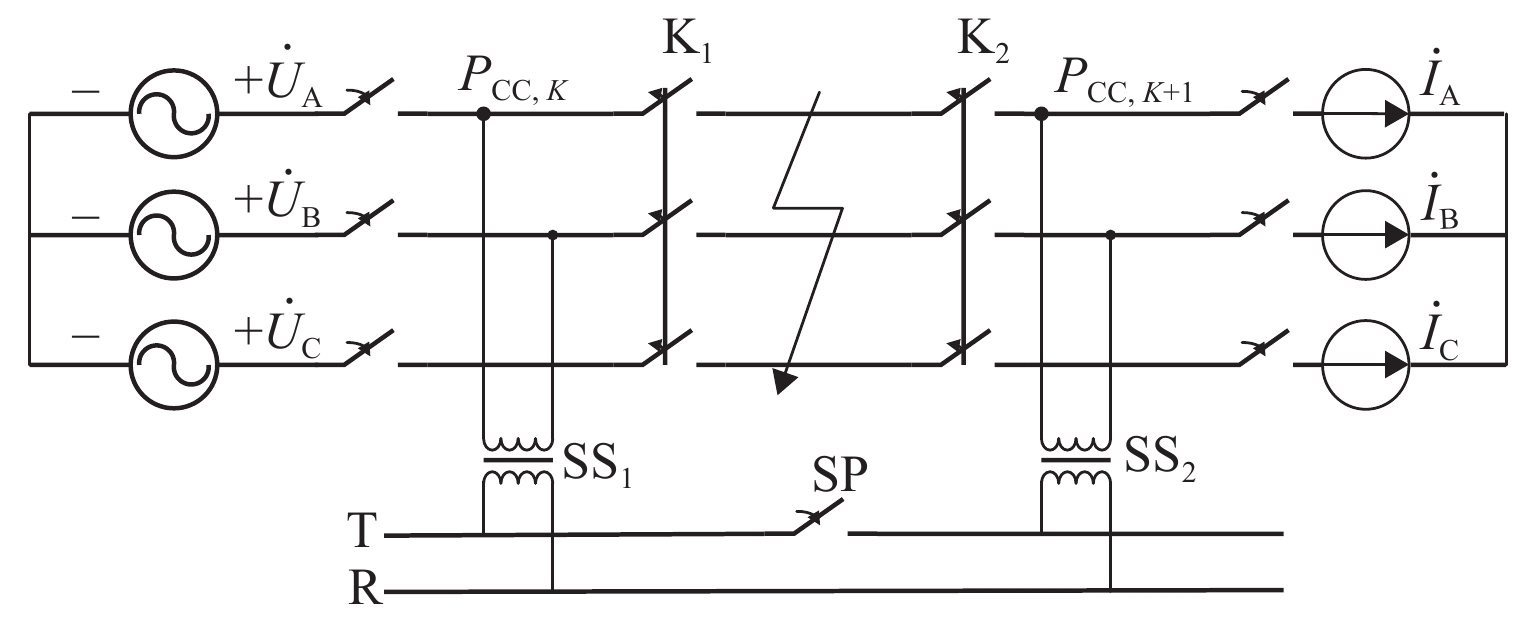
市域铁路双边供电系统的稳态潮流
靳守杰, 管美玲, 李鲲鹏
2023, 58(6): 1231-1239, 1302. doi:10.3969/j.issn.0258-2724.20211044
摘要:

针对市域铁路列车不中断供电的要求,对市域铁路采用双边供电技术取消电分相进行分析研究. 根据不同的外部电源供电方式建立平行双边供电和树形双边供电的等值电路模型,推导均衡电流的计算模型,分析减小均衡电流的措施;并以某市域线路为例,仿真计算系统不同运行方式下的潮流分布和均衡电流,验证均衡电流计算模型的正确性以及市域铁路单相交流牵引供电采用双边供电方式的可行性. 研究结果表明:实例中的市域线路合环时,牵引变压器最大功率为70.36 MV·A,最大电压波动为0.7025%,110 kV输电线路承受的最大电流为833.418 A,双边供电系统中“电磁环网”对电网潮流分布的影响均在牵引变压器、输电线路承受范围内,稳态情况下满足电力系统要求;合环线路中均衡电流占比为2.322%,对系统的影响较小.

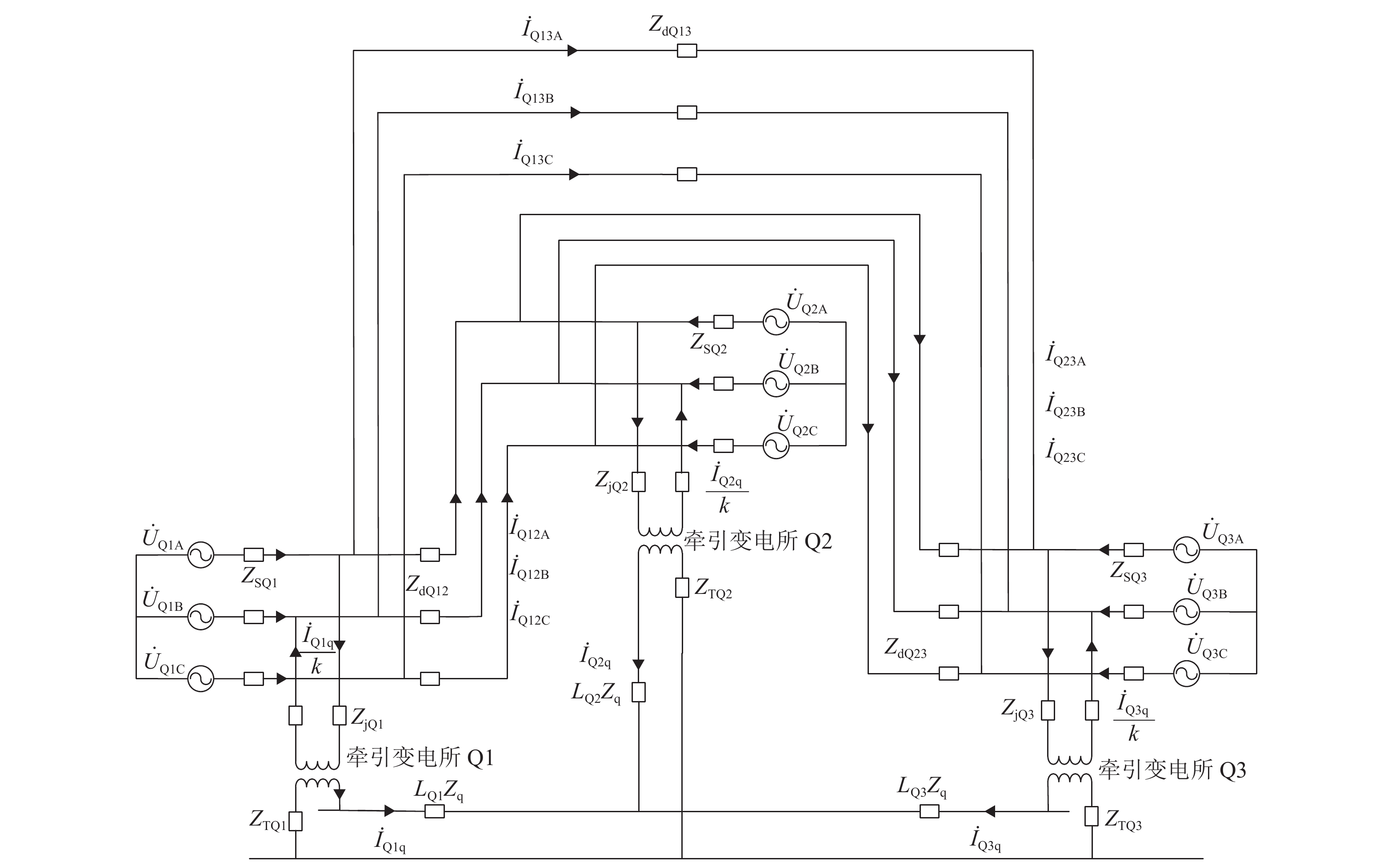
重载铁路树形贯通式同相供电系统的运行状态
康德建, 易东, 王辉
2023, 58(6): 1240-1247. doi:10.3969/j.issn.0258-2724.20220723
摘要:

重载铁路树形贯通式同相供电系统能够最大限度降低线路中电分相带来的安全隐患,提升牵引供电系统再生制动能量直接利用率、供电能力和供电品质. 为保障树形贯通式同相供电系统的良好运行,从均衡电流、供电能力、负序评估、故障分析及保护配置4个方面研究该系统的运行状态. 构建不同拓扑结构下双边供电系统均衡电流评估模型,揭示重载铁路树形贯通式同相供电系统的外部电源构成方式;以某重载铁路树形贯通式同相供电改造方案为例,探究正常和故障运行工况下系统的供电能力以及系统对外部电网的负序影响;对该系统不同类型的故障进行分析,并提出保护配置方案. 研究结果表明:相较平行双边供电,当两相邻牵引变电所变压器变比相同时,树形贯通式同相供电系统不会产生均衡电流;改造方案上、下行牵引网最低网压为22.74 kV,满足牵引网电压要求;设置组合式同相供电装置后,系统的三相电压不平衡度95%概率大值和最大值分别为1.20%和1.65%;相较于传统保护装置方案,所提保护配置方案能够确保牵引网停电区间最小.

I2控制单电感双输出Buck LED驱动电源交叉影响分析
王瑶, 陈玲, 杨德鑫, 徐利梅
2023, 58(6): 1248-1256. doi:10.3969/j.issn.0258-2724.20220383
摘要:

单电感双输出(single-inductor dual-output,SIDO) Buck LED驱动电源有LED1和LED22条输出支路,2条输出支路间存在交叉影响. 为减小工作于电感电流连续导电模式(continuous conduction mode,CCM)的SIDO Buck LED驱动电源的输出交叉影响,提出电流-电流(current-current,I2)控制SIDO Buck LED驱动电源. 基于SIDO Buck LED驱动电源的工作原理和开关状态,采用状态空间平均法建立状态空间平均模型和小信号模型;在此基础上,分析I2控制SIDO Buck LED驱动电源的电路结构和工作原理;基于电感电流纹波和输出电流纹波,推导占空比的小信号表达式,获得交叉影响传递函数;通过交叉影响传递函数Bode图,对比分析其与电压控制SIDO Buck LED驱动电源输出支路间的交叉影响. 研究结果表明:当电压控制SIDO Buck LED驱动电源LED1输出支路的参考信号分别从1.6 V突变至0.8 V和从2.4 V突变至1.2 V 时,其LED1输出支路对LED2输出支路的交叉影响分别为0.250 A和0.365 A;反之,LED2输出支路的参考信号分别从3.2 V突变至1.6 V和从2.4 V突变至1.2 V时,LED2输出支路对LED1输出支路的交叉影响分别为0.06 A和0.04 A. 参考信号相同变化条件下,I2控制SIDO Buck LED驱动电源LED1输出支路对LED2输出支路的交叉影响分别为0.090 A和0.115 A,相反,LED2输出支路对LED1输出支路的交叉影响分别为0.030 A和0.015 A. 相比电压控制SIDO Buck LED驱动电源,I2控制SIDO Buck LED驱动电源减小了输出支路间的交叉影响.

考虑电网支撑能力的储换一体站容量优化配置
郭爱, 叶涵昌, 戴朝华, 王永强, 叶圣永, 陈维荣
2023, 58(6): 1257-1266. doi:10.3969/j.issn.0258-2724.20220431
摘要:

电动汽车换电站同时作为储能电站,既可实现经济获利,又兼顾电网支撑,但目前缺乏这种储换一体站的容量配置研究. 为此,本文首先分析储换一体站工作模式及电价时段,构建一体站的运行模型;然后,基于用户出行模拟,建立电动汽车换电需求预测模型;接着,建立考虑全寿命周期收益和电网支撑能力的储换一体站容量双层规划模型,外层规划以全寿命周期总收益为目标,实现储换一体站的容量规划,内层规划以对电网支撑能力为目标,实现电池组充放电行为优化,内层获得最优充放电功率并返回外层,实现储换一体站容量最优配置;最后,在 IEEE33 节点系统上验证规划模型的有效性,为储换一体站建设提供理论支撑. 研究结果表明:与其他储换一体站模式相比,储换一体站投资收益率提高 1.51%~2.26%;基于双层规划的容量优化配置方法,在保证一体站经济性的同时,能够对支撑电网电压,使电压日方差降低 20%;随着参与换电的电动汽车数量增加,一体站的经济性进一步提高.

基于极大化思想的无人机安全避障域识别算法
王家亮, 董楷, 顾兆军, 陈辉, 韩强
2023, 58(6): 1267-1276. doi:10.3969/j.issn.0258-2724.20220262
摘要:

为提高四轴飞行器避障的准确性与实时性,提出一种结合LK (Lucas-Kanade)光流法和极大化思想的四轴飞行器避障算法. 首先,对四轴飞行器采集的视频流进行预处理,得到图像帧;其次,通过LK光流法剔除图像帧中光流小于阈值的角点,采用基于角点距离的聚类算法对角点进行分组,并计算出每组角点的外包轮廓;然后,利用基于极大化思想的安全避障域算法计算最优通行区域,进一步根据避障域求得偏差数据;最后,将偏差数据输入比例微分(PD)控制器得到控制信息,并发送控制指令使四轴飞行器及时调整飞行姿态,完成避障飞行. 通过特洛(Tello)四轴飞行器进行不同场景的实验表明,本文所提出的算法计算每帧图像最优安全避障域平均所需时间为0.17 s,既满足无人机避障实时性要求,又解决了识别障碍物区域与计算安全避障域问题.

小样本条件下列车通信网络攻击样本生成方法
岳川, 王立德, 闫海鹏
2023, 58(6): 1277-1285. doi:10.3969/j.issn.0258-2724.20210557
摘要:

基于深度学习的列车通信网络入侵检测需要充足的训练样本支撑,然而实际可获取的列车通信网络攻击样本非常少. 本文将生成对抗网络(GAN)应用于攻击样本生成任务中,对GAN的采样策略、约束条件与损失函数进行改进,设计了基于卷积神经网络的生成器与判别器,提出一种基于改进GAN的攻击样本生成方法. 基于此方法开展了样本生成实验与入侵检测实验. 结果表明,该方法能够生成有效的攻击样本,改进模型的训练效果,模型的 F 1分数平均增加了4.23%.

雨天沥青路面能见度影响因素分析
汪敏, 何兆益, 周文, 梁昕
2023, 58(6): 1286-1293. doi:10.3969/j.issn.0258-2724.20211079
摘要:

在降雨情况下,汽车行驶过程轮胎所溅起的水花极易形成水雾,前方能见度会显著下降,人体主观的识别距离也随之迅速减小,甚至出现对行车间距的错误判断,易造成交通事故,研究雨天沥青路面能见度影响因素意义重大. 以米氏理论为基础,利用能见度的气象学定义,并采用MATLAB软件进行蒙特卡罗数值模拟,提出了用车速、水膜厚度和路面设计参数表征的能见度计算模型,进而对能见度影响因素进行了分析. 结果表明:在雨天,沥青路面水膜厚度低于5.873 mm时,水雾引起的能见度会随车速和水膜厚度增加而不断减小;路面设计参数中,排水路径长度、路面构造深度与能见度呈正相关性;路面坡度与能见度呈负相关性;在水膜厚度为5.873 mm时能见度达到极小值;进一步提出了用降雨强度、路面构造深度、路面坡度、排水路径长度和车速表征的沥青路面能见度改进计算模型.

基于均值-方差理论的多阶段公交走廊设计
夏亮, 江欣国, 范英飞
2023, 58(6): 1294-1302. doi:10.3969/j.issn.0258-2724.20210874
摘要:

随机性是公交出行需求的重要特性. 随机需求下的公交系统中,不同风险态度(中立风险、规避风险和寻求风险)的决策者会选择不同的设计方案,这在多阶段公交系统走廊设计中更为明显. 为研究不同决策风险态度下随机特性对公交服务设计的影响,首先,基于均值-方差理论,提出不同风险态度下的决策方法,并构建对应的多阶段公交走廊设计模型,同时优化不同阶段的公交线路长度、站点选址和发车间隔;之后,利用局部分解法和最优化理论,得出模型的解析解;最后,对不同设计策略(全覆盖设计、单阶段和多阶段的公交线路非全覆盖设计)和风险决策态度下的公交走廊设计进行对比分析. 结果表明:1) 公交线路多阶段设计具有比全覆盖设计和单阶段设计更低的期望系统成本,以及比单阶段设计更稳定的方案;2) 在不同设计策略中,决策风险态度对公交系统的参数配置(即公交线路长度、站点分布和发车间隔)有不同的影响,例如规避风险态度决策者在全覆盖设计中追求更密集的站点分布,而在单阶段设计中则会追求相对更低的站点密度,在多阶段设计中这就更为复杂. 该研究从政府管理者和运营商的角度,提供基于需求随机增长下公交系统多阶段设计的风险投资决策方法.

油介质钢-BFPC结合面的热特性分析
徐平, 洪志康, 沈佳兴, 于英华
2023, 58(6): 1303-1310. doi:10.3969/j.issn.0258-2724.20210719
摘要:

为了研究钢和玄武岩纤维树脂混凝土(BFPC)组成的结合面在油介质条件下的热特性,首先,利用离散原理来计算钢-BFPC结合面的实际接触面积,由于结合面接触时本质上是微凸体接触,微凸体会受到挤压形成挤压应力不同的面积区域,故进一步考虑接触比重,提高实际接触面积结果的精确性;然后,根据结合面的形貌特征,结合傅里叶定律分析油介质条件下钢-BFPC结合面的传热机理;最后,分别通过理论计算和实验研究分析不同载荷(0.2、0.4、0.6、0.8、1.0 MPa)对结合面热特性参数的影响. 研究结果表明:接触热阻随着载荷增大而减小,传热系数和导热系数随着载荷增大而增大,不同载荷下,理论计算与实验计算的接触热阻误差分别为6.40%、6.18%、5.85%、4.61%、3.73%,接触热阻的误差随着载荷增大而减小.

基于迭代RMSE法的约束阻尼板动力特性分析
刘全民, 叶孝意, 宋立忠, 孙逸飞, 刘林芽
2023, 58(6): 1311-1317, 1431. doi:10.3969/j.issn.0258-2724.20220414
摘要:

忽略约束阻尼结构阻尼层黏弹性材料虚刚度及参数频变特性会对计算该结构模态损耗因子带来误差. 本文在修正模态应变能法(RMSE法)的基础上,结合迭代算法,分析了黏弹性材料虚刚度及参数频变特性对约束阻尼板的振型、固有频率和模态损耗因子的影响,探讨了约束阻尼板阻尼层厚度和约束层厚度对结构模态损耗因子的影响规律. 分析结果表明:本文方法计算的固有频率和模态损耗因子与相关文献中的试验实测值吻合良好;不考虑黏弹性材料参数频变特性,各阶模态振型形状基本不变,但部分振型的相位相反;阻尼层剪切模量直接影响到结构固有频率,忽略其频变特性会导致在低阶时计算结果偏大17.2%,高阶时偏小7.6%;低阶模态时,忽略黏弹性材料频变特性的模态损耗因子误差最大可到56.0%;约束阻尼板模态损耗因子随阻尼层厚度增加而增大,随约束层厚度增加先增大后减小.

面向微细加工的二自由度磁悬浮平台
魏发南, 刘英
2023, 58(6): 1318-1327. doi:10.3969/j.issn.0258-2724.20220583
摘要:

为消除激光微细加工移动台中的机械摩擦,提出一种由三组子单元共同悬浮驱动的新型磁浮平台. 首先,介绍平台结构及其工作原理,三组子单元具有相同的结构,由永磁体和电磁线圈构成;分析线圈对永磁体的作用力,并对磁悬浮平台能够实现稳定悬浮的平面范围进行讨论;其次,建立磁悬浮平台的平面内的动力学模型以及子单元位移与平台位移的变换方程;再者,基于分散控制策略,设计子单元系统相应的模糊PD (proportional-derivative)控制器;最后,搭建实物平台,并对其进行静态悬浮实验、步进响应实验、双轴组合工作实验. 结果表明:该磁悬浮平台在 ±2 mm的平面范围内可忽略竖直方向的运动控制;在静态悬浮时,磁悬浮平台在 x 方向均方根误差仅为2.95 μm,最大跟踪误差为11 μm;同时磁悬浮平台具备4 mm的运动行程以及双轴组合工作能力.

7自由度仿人机械臂工作空间求解的降密蒙特卡洛法
窦汝桐, 于慎波, 孙凤, 夏鹏澎, 横井浩史, 姜银来
2023, 58(6): 1328-1338. doi:10.3969/j.issn.0258-2724.20220777
摘要:

针对蒙特卡洛法和改进蒙特卡洛法在求解机械臂工作空间时存在精度不够准确和加密点云浪费的问题,提出一种降密蒙特卡洛法. 首先,基于蒙特卡洛法中随机点分布不均的特性,对机械臂初始工作空间进行均匀加密,使空间的内部与边界区域分明;然后,采用扩展关节角度和循环加密随机点的方式,只对边界区域进行加密,达到降低工作空间随机点云密度的目的;同时,还研究了该方法中初始点云数量、各轴向分割体素数量、精度阈值、扩展关节角度和循环次数等参数对工作空间精度的影响;最后,通过仿真分析对降密蒙特卡洛法的有效性进行验证. 结果表明:相比于蒙特卡洛法,降密蒙特卡洛法在工作空间平均误差率为0.02242%时,总随机点云数量降幅为93.89%;相比于改进蒙特卡洛法,在循环次数为2次和4次时,降密蒙特卡洛法工作空间的平均误差率分别降低0.13853%和0.11329%,总随机点云数量降幅分别为44.83%和64.52%.

车轮多边形对重载机车轮轨相互作用及接触损伤的影响分析
张波, 杨云帆, 凌亮, 王开云
2023, 58(6): 1339-1346. doi:10.3969/j.issn.0258-2724.20210448
摘要:

为了研究重载机车轮轨接触损伤问题,建立重载列车-轨道三维耦合动力学模型,研究车轮多边形与多种轨面摩擦条件下的机车轮轨系统动态相互作用行为. 在此基础上,建立基于轮轨系统动力学响应的车轮踏面疲劳损伤预测模型,研究制动工况和轮轨接触表面变摩擦条件下车轮多边形磨耗对车轮表面磨损的影响. 结果表明:严重的车轮多边形磨耗不仅加剧轮轨动态相互作用,也会增大轮轨接触界面磨耗损伤;在干燥接触条件下,车轮多边形会加剧车轮踏面疲劳损伤,车轮多边形导致机车第1位轮对和第4位轮对的损伤指数波动范围较正常车轮损伤指数的波动范围增大19.59%和39.43%;在低黏着接触条件下,车轮多边形会加剧车轮磨耗,车轮多边形导致轮轨蠕滑力波动增大5.85倍,使得机车第1位轮对和第4位轮对的磨耗数波动范围增大6.44倍和6.22倍.

有砟轨道捣固作业起道方案的综合修正方法
张雨潇, 时瑾, 倪国华, 王英杰
2023, 58(6): 1347-1356. doi:10.3969/j.issn.0258-2724.20220526
摘要:

为保证捣固作业效果达到预期目标,需严格控制影响作业质量的不利因素,首先,以有砟轨道捣固作业数据为研究对象,分析影响作业质量的关键因素,探讨传统方法修正起道方案的基本原理;其次,将多因素约束条件纳入目标线形构造过程,并遵从历史作业规律,对起道量进行修正,构造一种用于提升轨道高低调整效果的起道方案综合修正方法;最后,以某高速铁路有砟轨道捣固作业为工程背景,验证综合修正方法的实施效果. 研究结果表明:在起道方案制定过程中施加针对性控制措施,有利于提高捣固作业对轨道不平顺的调整能力;捣固后,线形实测值与目标值之间决定系数高达0.92;方案起道量与实际起道量之间均方误差为1.8 mm;高低60 m中点弦测值降至4.0 mm,高低轨道质量指数降至0.28 mm.

中国高速列车车轮多边形磨耗特征分析
王鹏, 陶功权, 杨晓璇, 谢晨希, 李伟, 温泽峰
2023, 58(6): 1357-1365. doi:10.3969/j.issn.0258-2724.20210777
摘要:

车轮失圆问题广泛存在于我国高速列车,对列车乘坐舒适性和运行安全性有显著影响. 从2011年至2020年,测试了12条高铁线路中9种型号高速动车组的车轮不圆度,包括200、250、300、350 km/h 4种运营速度,共3.05万个车轮;对车轮不圆度测试数据进行特征分析,掌握我国高速动车组车轮多边形磨耗的发展规律;分析影响车轮多边形发展的关键因素,包括车辆轴距、轨道结构和研磨子修形. 结果表明:高速动车组车轮存在10~30阶多边形磨耗,多边形波长为90~288 mm,且在100~178 mm波长范围的多边形磨耗最为严重;车辆轴距、扣件类型和环境温度与车轮多边形磨耗形成密切相关,通过改善研磨子和车轮踏面匹配关系,保证踏面横向和圆周处于良好的磨耗状态,使高阶车轮多边形粗糙度水平最大下降60%.

适应无人驾驶汽车的道路设施设计综述
徐进, 陈钦, 陈正委, 张高峰, 袁泉, 陈坚
2023, 58(6): 1366-1377. doi:10.3969/j.issn.0258-2724.20220007
摘要:

随着智能网联车辆相关技术的不断突破和快速发展,高度自动化的无人驾驶汽车日益成熟并将逐渐进入大众生活. 区别于人工驾驶车辆,无人驾驶汽车具备环境感知、自主决策、控制执行等功能,能够完成典型工况或所有工况的自动驾驶. 而对道路设施进行改进和调整,有助于加快无人驾驶时代的到来,为此,需要明确无人驾驶汽车对道路设施设计的需求和影响. 首先,在平纵线形、横断面设计、交通标志标线、停车设施和数字化道路设施等方面分析了道路设施如何适应无人驾驶汽车的行驶特性;其次,梳理了智慧路侧设施以及无人驾驶专用车道的现状和发展趋势;再次,归纳了国内外面向无人驾驶汽车的道路基础设施的研究方法,包括虚拟仿真测试和实车道路测试,以及国内外为开展实车测试所实施的实验道路建设;最后,总结了现有研究的聚焦点和局限性,展望了该领域所面临的挑战和未来发展趋势. 现有道路基础设施的规划设计没有预见无人驾驶汽车的到来,在无人驾驶全面普及之前,人工驾驶和无人驾驶混行会长时间存在,因此,道路设施设计应根据无人驾驶的发展阶段和未来趋势进行相应的变革,本文为适应无人驾驶汽车的道路设施设计提供了理论基础.

基于足尺试验的机场沥青道面轮辙发展与预测
李岳, 刘文俊, 蔡靖, 赵夫朋
2023, 58(6): 1378-1384. doi:10.3969/j.issn.0258-2724.20210606
摘要:

轮辙是引起沥青道面过早破坏的重要因素,飞机地面滑行渠化交通显著,由轮辙病害引起的道面平整度与舒适性问题突出. 为此,建立飞机轮组-地基-沥青道面结构体系仿真分析模型,提出适应轮组荷载特征的等效循环加载方式,依托NAPTF (National Airport Pavement Test Facility)足尺沥青道面轮辙试验,验证仿真结果的适用性与可靠性,并开展加载时间间隔与环境温度等多因素分析. 研究结果表明:考虑轮载作用横向偏移效应,轮辙总宽度达到轮组宽度的3倍,轮辙断面曲线有多处转折点与以往单一凹陷面特征明显不同;循环加载时间间隔对轮辙发展影响显著,经过150 s间隔后沥青面层回弹变形趋于稳定,可兼顾分析效率需要;前10%循环加载次数对轮辙变形的贡献超过40.4%,可基于初始轮辙建立指数型轮辙发展预测公式,对循环加载全过程拟合度高于96.4%,轮辙分析效率有明显提高.

双块式无砟轨道枕上压力监测标定方法
李培刚, 兰才昊, 魏强, 李俊奇, 刘增杰, 杨永明
2023, 58(6): 1385-1393. doi:10.3969/j.issn.0258-2724.20211094
摘要:

为探寻双块式无砟轨道枕上压力的长期监测方法,以CRTSⅠ型双块式轨枕为研究对象,首次利用埋入式光纤光栅传感器研究了双块式轨枕内部应变值和枕上压力的线性关系. 首先,在轨枕制造阶段埋入FRP-OF光纤光栅应变传感器,用于测试轨枕内部应变变化;其次,通过反力架和千斤顶对轨枕进行静力加载标定,分析轨枕表面加载力和轨枕内部应变的线性关系;最后,通过有限元仿真进行验证和修正. 结果表明:在轨枕表面施加的载荷和轨枕内部光纤光栅应变传感器的测试值具有良好线性关系,将此线性斜率确定为标定系数(4.90~5.28 kN/μ ε ),仿真数据与实测数据的误差在5%以内;对比轨枕在反力架约束和在道床板约束两种不同边界条件工况下的枕内应变,修正了枕上压力计算式,提出了一种基于双块式轨枕内部应变的枕上压力计算方法,并在高速铁路运营线路上测得枕上压力约为30~42 kN;该方法为高速铁路轮轨荷载传递研究、无砟轨道结构的强度计算理论和方法的完善以及列车轮对状态监测提供重要依据.

干湿循环下红层土石混合料强度及变形特性的试验研究
张俊云, 张乐, 高福洲, 唐永吉, 何卓岭, 王鹰
2023, 58(6): 1394-1404. doi:10.3969/j.issn.0258-2724.20220343
摘要:

为研究干湿循环下红层土石混合料的劣化规律,以取自四川盆地的红层土石混合料为研究对象,通过静态崩解试验,探讨不同粒径红层软岩块石的崩解特征;对2组红层土石混合路基填料原始级配缩尺,通过叠环式剪切试验,研究干湿循环次数对红层土石混合料黏聚力、内摩擦角、剪胀率和剪切模量等指标的影响. 研究结果表明:红层软岩块石遇水崩解显著,崩解过程可分为剧烈段、过渡段和稳定段,崩解剧烈段块石含量降低近70%;粒径较大时,块石受结构面影响更强,崩解更彻底;随干湿循环次数的增加,抗剪强度在崩解剧烈段明显降低,过渡段基本不变,稳定段略有回升;块石崩解后,其咬合作用显著降低,表观黏聚力急剧减小,静电引力和固化胶结使黏聚力轻微增大,崩解物间的摩擦和重定向排列使内摩擦角轻微增大;最大粒径和含石量显著降低,法向应力下土石混合料更密实,剪胀率明显降低;骨架-密实结构转变为悬浮-密实结构,剪切模量明显降低;干湿循环下黏聚力和剪胀率劣化更明显,内摩擦角的劣化受块石粒径影响最大,剪切模量的劣化受块石粒径影响最小;路堤填筑前,对红层土石混合料进行2次崩解处理,以削弱其受降雨-蒸发循环作用的不利影响.

干寒大温差下早龄期混凝土收缩特性及防裂技术
李福海, 文涛, 唐慧琪, 李继芸, 李瑞, 陈昭, 李学友, 李超
2023, 58(6): 1405-1412. doi:10.3969/j.issn.0258-2724.20210839
摘要:

为探究干寒大温差下早龄期混凝土收缩变形规律,降低开裂风险,采用3种养护方法对混凝土进行早龄期养护,以抗压强度、劈裂抗拉强度、自由收缩率及最大约束应力为表征手段,设置了基本力学性能试验、自由收缩试验与约束收缩试验,并采用综合型多指标的灰色关联法分析了不同养护方式下混凝土的抗裂性能. 同时,设计了纳米涂层保温性能试验,探究其对混凝土的保温隔热性能. 试验结果表明:在−20.0~15.0 ℃的循环温度中,采用纳米涂层使得圆柱体混凝土试件内部平均温差降低2.95 ℃;相比于标准养护,3种养护方式下混凝土抗压及劈裂抗拉强度均有显著降低,干寒大温差不利于混凝土的强度发展;自由收缩率随温度变化明显,呈现出温度降低,自由收缩率增大,反之,温度升高自由收缩率减小,并在−20.0 ℃与15.0 ℃时出现极值;最大约束应力受到养护方式影响,自然养护下最大约束应力发展最快,终值最大,薄膜养护次之,涂层养护最大约束应力发展最慢,终值最小;涂层养护下灰色关联度高达0.9149,明显高于自然养护与薄膜养护,表现出优异的抗裂性能.

砂土拱效应滑移面几何轮廓与松动土压力分析
周思危, 冷伍明, 聂如松, 李亚峰, 狄宏规, 陈伟庚
2023, 58(6): 1413-1422. doi:10.3969/j.issn.0258-2724.20210651
摘要:

土拱效应本质上是由于土体内部松动引起的应力转移现象,土体松动过程伴随着滑移面的形成和延展,但目前针对滑移面几何轮廓、松动影响范围以及考虑松动区动态演变对松动土压力的影响等方面的研究尤待深入. 利用Trapdoor试验对砂土拱效应滑移面轮廓及演变开展研究,获得滑移面几何轮廓及其演变模式在不同填土高度、活动门下移和宽度以及砂料密度下的表征区别. 通过界定滑移面影响范围内松动核心区域,提出基于核心区几何形状的松动应力计算方法. 分析松动应力-活动门下移曲线特征,以揭示最大、最小拱状态条件下的曲线特征随填土高度、活动门下移和宽度以及砂密度的变化规律. 研究结果表明:1) 滑移面轮廓随活动门下移的演化过程为三角形—子弹头形—椭圆形,填土高度越高,活动门宽度越小,初始和次级滑移面轮廓越尖锐;2) 初始、次级滑移面高度随活动门下移递增,第Ⅲ级滑移面拐点高度随活动门下移递减, 初始、次级滑移面夹角随活动门下移先增后减,第Ⅲ级滑移面上半夹角与下半夹角均随活动门下移递增;3) 随着填土高度的增加,松动核心区形状演化过程为三角形—梯形—矩形,核心区高度为填土高度的0.5倍~0.8倍,核心区夹角与核心区面积均随内摩擦角的增加近似线性递减;4) 基于核心区面积的松动应力计算方法相比,Terzaghi等方法更具适用性,且其适用于计算低填土试验组的临界应力和高填土试验组的极限应力. 研究成果为更精确地描述砂土松动区的位移破坏模式及其界定标准以及松动区稳定性评价提供参考.

强震下大跨度连续梁桥损伤分析
贾宏宇, 吴炜昌, 游刚, 杨磊, 彭奇慧, 郑史雄
2023, 58(6): 1423-1431. doi:10.3969/j.issn.0258-2724.20220072
摘要:

连续梁桥结构常因地震发生损伤甚至倒塌而失去交通作用,研究强震下大跨度连续梁桥的损伤破坏机制对提高桥梁抗倒塌性能具有重要意义. 基于有限元软件ANSYS/LS-DYNA,考虑桥墩材料非线性、损伤过程大变形非线性以及梁端非线性碰撞,建立大跨度连续梁桥在强震作用下的损伤三维数值模型,进行非线性分析,直观模拟大跨度连续梁桥在强震作用下的损伤破坏过程,从连续梁桥的应变与位移响应、桥墩损伤和梁-台间碰撞作用等方面分析了大跨度连续梁桥的地震损伤情况. 研究结果表明:单向地震动输入与双向地震动输入作用下破坏模式基本一致,破坏模式由桥梁结构本身决定,地震动输入方式影响较小;大跨度连续梁桥的地震损伤是逐渐发展的过程,桥墩混凝土损伤因子不断累积达到0.99,固定墩底部发生受弯塑性破坏,桥梁发生损伤破坏.

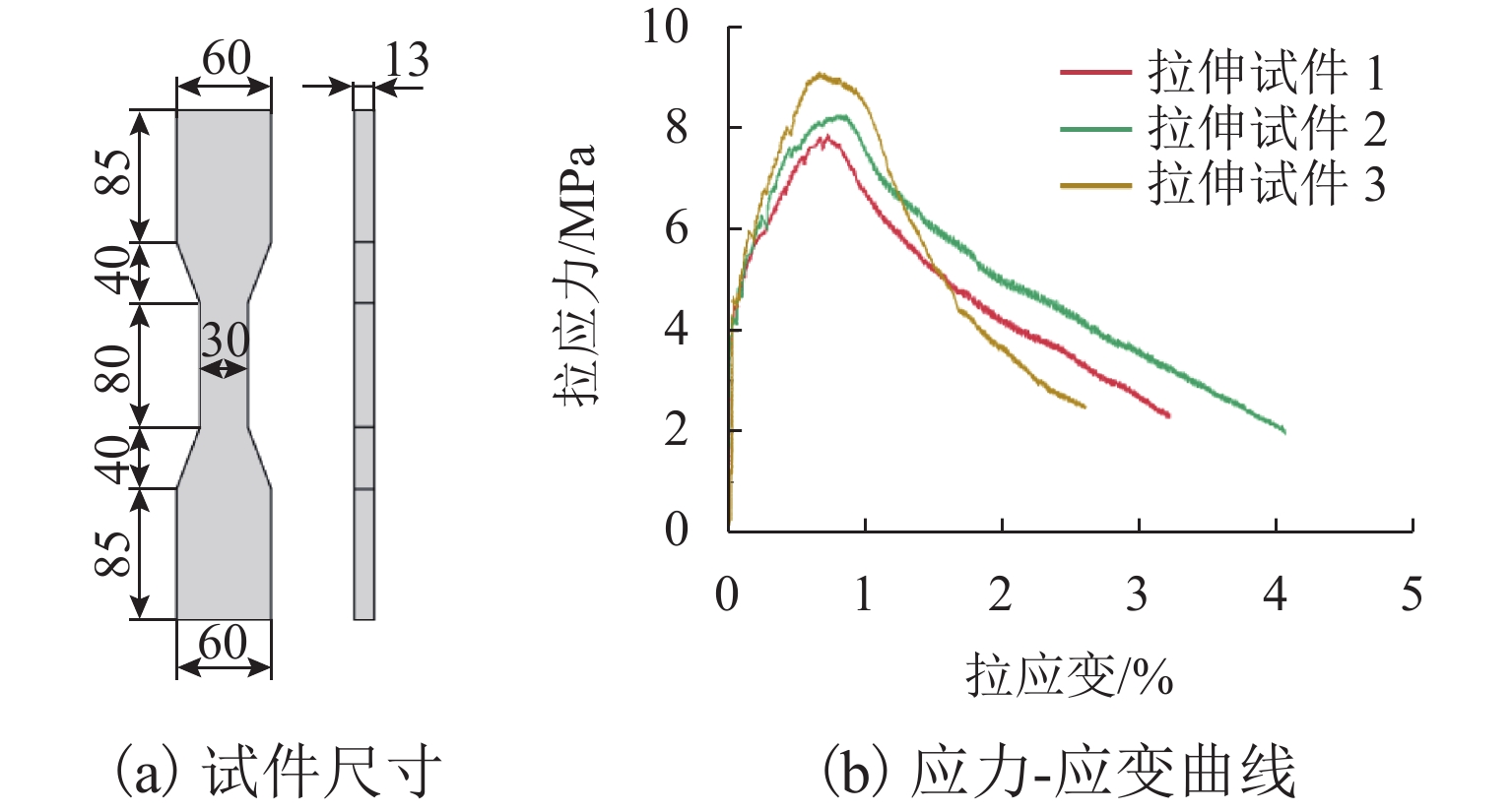
纵筋率对UHPC华夫桥面单向板抗弯承载力的影响
张锐, 赵冉, 刘振伦, 胡棚, 陈可道, 李晰
2023, 58(6): 1432-1439. doi:10.3969/j.issn.0258-2724.20210923
摘要:

为研究超高性能混凝土(UHPC)华夫桥面单向板中纵筋率对其抗弯承载力的影响,利用等效宽度的原理对其进行简化,设计制作了6根不同纵筋率的足尺T梁模型. 首先,通过加载试验分别对UHPC的基本力学性能和T型截面UHPC梁的抗弯性能和破坏模式进行研究;其次,根据材料性能试验结果,提出UHPC抗拉与抗压的本构模型,并通过截面分析推导T型截面UHPC梁的极限抗弯承载力计算公式;最后,基于既有研究结果,对所提出的T形截面UHPC梁极限抗弯承载力计算公式进行适用性验证. 研究结果表明:由于UHPC具有优异的抗拉强度和拉伸韧性,尽管减小纵筋率会降低T形截面UHPC梁的极限抗弯承载力和延性,但不会改变构件的破坏形式,即T形截面UHPC梁在纵筋率较少甚至不配筋的情况下依然具备延性破坏的特征;根据截面分析推导结果,受拉侧UHPC极限抗拉强度变化系数与纵筋率成正比关系,纵筋率的增大可以更加显著地发挥UHPC的抗拉作用;所提出的公式具有良好的适用性.

钢管混凝土风电塔架球式节点的力学性能分析
闻洋, 李兆建, 于蛟
2023, 58(6): 1440-1448. doi:10.3969/j.issn.0258-2724.20210583
摘要:

为寻找更适合钢管混凝土格构式风电塔架的节点形式,开展了2个法兰盘球型分支节点和2个法兰盘螺栓球节点模型的静力试验,并对其进行有限元分析,以球台高度和厚度为变化参数,分别对比了2种节点的破坏模式、法兰盘等效应力分布、腹杆轴力-变形曲线等. 研究结果表明:法兰盘球型分支节点的破坏模式为高强螺栓剪切破坏,法兰盘螺栓球节点的破坏模式为球台焊缝撕裂破坏和屈曲-撕裂破坏;与法兰盘球型分支节点相比,法兰盘螺栓球节点的法兰盘和球台的等效应力分布均匀,材料利用率较高,其最大应力绝对值分别提高了19%、52%,承载能力较强;腹杆轴力-变形曲线的塑性阶段长,延性较好;对球台高度或厚度的变化反映在节点极限承载力上更敏感,有更高的极限承载力;法兰盘螺栓球节点有进一步推广应用的价值.

Baidu
map