• ISSN 0258-2724
  • CN 51-1277/U
  • EI Compendex
  • Scopus 收录
  • 全国中文核心期刊
  • 中国科技论文统计源期刊
  • 中国科学引文数据库来源期刊

2024年 第59卷 第3期

显示方式:
电-氢混合储能型多微电网系统有功功率均衡控制方法
李奇, 李蕊睿, 李朔, 蒲雨辰, 孙彩, 陈维荣
2024, 59(3): 485-492, 518. doi:10.3969/j.issn.0258-2724.20210506
摘要:

在多电-氢微电网并联运行的交流系统中,采用传统控制方法的逆变器会受到输出线路阻抗差异所产生的影响产生较大环流,甚至无法实现有功功率的合理分配,考虑到系统中电压偏差与有功功率间的关系,对多微电网的有功功率分配问题进行分析研究. 首先,构建含光伏、燃料电池、电解槽、蓄电池的电-氢混合储能微电网交流系统模型;其次,根据反下垂控制中有功功率与电压间的关系,构造考虑电压偏差的反下垂控制,并为使额定有功功率自适应调节,提出基于功率跟随控制的反下垂控制方法;最后,在多电-氢微电网并联运行的系统中,对本文所提方法进行RT-LAB半实物实验验证及与其他方法的对比验证. 实验结果显示:基于本文所提控制方法的系统稳定后功率分配的准确度达97.50%,母线电压的精准度达99.86%,环流大小的范围约为[−3.0, 3.0] A,均优于其余方法.

状态依赖型切换系统的数据驱动方法建模
王涛, 谭吉, 刘东, 杨叶江
2024, 59(3): 493-500. doi:10.3969/j.issn.0258-2724.20210579
摘要:

切换系统是由一系列连续或离散的子系统和切换机制组合而成的一类复杂系统,状态依赖型切换系统因其复杂性而尚未被深入研究. 因此,通过系统的输入输出轨迹来对状态依赖的切换系统进行数据驱动建模,利用数据挖掘技术寻找数据之间的有用信息,建立输入与输出之间更形象的表达形式;在此基础上提出一种结构框架,根据辨识轨迹的切换时刻将数据分段,借助神经网络建立子系统的模型以及切换规则,深度挖掘状态依赖切换系统的信息,得到切换系统中子系统及子系统间的信息. 实验结果表明:相比传统的机理建模,本文提出的数据驱动方法将建模的复杂度降低了17.3%.

双制式列车接地系统的车-地联合牵引供电计算
刘炜, 杨凌云, 马庆安, 李雪飞, BHATTIAshfaque Ahmed
2024, 59(3): 501-509. doi:10.3969/j.issn.0258-2724.20220655
摘要:

为研究双制式列车在不同供电制式区段下的车体环流和车体—轴端电位分布,针对某型双制式列车构建列车接地系统的链式电路模型,并提出车-地一体化的交、直流区段联合牵引供电计算方法;同时,建立列车接地保护电阻优化模型,并分析2种列车接地系统配置方案. 以国内某条双制式线路为算例进行仿真验证,研究结果表明:方案1相较方案2,列车的车体—轴端电位最大值降低36.58%~41.04%,车体环流最大值降低18.49%~22.97%;并且在方案1中,头尾车保护电阻设置为20 mΩ,可使列车的车体—轴端电位最大值为1.15 V,车体电流最大值为50.30 A,达到抑制车体—轴端电位的最优效果. 该车-地一体化的交、直流区段联合牵引供电计算方法可适用于单一供电制式或者多供电制式列车接地系统的分析.

接触网承力索集中荷载测量方法
刘继冬, 梁茹楠, 陈交, 程军营, 吴积钦
2024, 59(3): 510-518. doi:10.3969/j.issn.0258-2724.20211092
摘要:

为分析接触网承力索静止与振动状态下的线索形状与集中荷载对应关系. 采用抛物线法对静止状态的承力索进行找形计算,通过构建振动微分方程和使用傅里叶变换计算振动状态下的承力索形状;结合受力分析,并根据牛顿第二定律推导静止与振动状态下承力索集中荷载的公式,在获取静态与振动状态下集中荷载处位移变化后,可以通过该公式求解集中荷载;在实验室搭建的振动试验台上对测量方法进行了检验. 检验结果表明:静态时的绝对误差为0.20%,主振频率为1 Hz及2 Hz振动状态下的绝对误差百分比均在0.50%以内;采用机器视觉获取集中荷载处静态位置与振动位移数据,进而实现承力索集中荷载非接触测量的方法是可行的.

基于多目标遗传算法的8 × 8 S盒的优化设计方法
王永, 王明月, 龚建
2024, 59(3): 519-527, 538. doi:10.3969/j.issn.0258-2724.20210377
摘要:

混沌系统具有非线性、伪随机性、初始值敏感等特性,为基于动力系统构造性能良好的S盒提供了基础,进一步保证了分组加密算法安全性. 目前,基于混沌构造S盒的方法大多数针对单个性能指标进行优化,难以获得全面的性能提升. 针对此问题,结合混沌映射与多目标遗传算法,提出了一种新的S盒设计方法. 首先,利用混沌映射的特性产生初始S盒种群;然后,以S盒的非线性度和差分均匀性为优化目标,基于遗传算法框架对上述两指标进行优化. 针对S盒的特点,在优化算法中引入了交换操作,设计了新的变异操作以及非支配序集计算,有效提升了S盒的非线性度和差分均匀性. 实验结果表明该算法产生的S盒其差分均匀度为6,非线性度值至少为110,有效提升了S盒的综合性能.

基于二维离散混沌系统和DNA的图像加密方案
徐昌彪, 许浩南, 明志飞
2024, 59(3): 528-538. doi:10.3969/j.issn.0258-2724.20220810
摘要:

为丰富低维离散混沌系统的动力学特性以及克服脱氧核糖核酸(deoxyribonucleic acid, DNA)编码的引入使混沌图像加密系统安全性易于降低的问题,基于Arnold映射构建具有恒定正Lyapunov指数的2维离散混沌系统,并将其与DNA编码结合,设计一个混沌图像加密方案. 所设计的混沌系统模型中不含非线性项,系统具有超混沌动力学行为;加密方案中用于加密的混沌序列为明文图像像素与密钥的加取模运算结果,图像按4 × 4大小予以分块,扩散算法中的DNA加减、异或、同或等运算分别基于DNA编码规则1、规则4和规则7. 仿真实验和性能分析结果表明:加密方案的密钥空间达到2266,信息熵为7.9993 bit,密钥灵敏度达到10−15,平均像素变化率(number of pixel change rate, NPCR)、统一平均变化强度(unified average change intensity, UACI)、块平均变化强度(block average change intensity, BACI)分别为99.6092%、33.4664%、26.7718%.

面向乳腺超声分类的低尺度形态特征重校准方法
龚勋, 朱丹, 杨子奇, 罗俊
2024, 59(3): 539-546, 563. doi:10.3969/j.issn.0258-2724.20211061
摘要:

针对乳腺超声图像具有类内差异大、类间差异小以及结节形状复杂多变等问题,提出一种形状特征重校准的乳腺超声图像算法,实现乳腺超声的自动化诊断. 首先,构建端到端的网络模型,采用渐进训练方式,充分学习图像中更具辨别力的区域,获取更细粒度的特征信息;其次,提出分区打乱机制,降低网络中打乱图像时破坏结节区域所产生的噪声;然后,将模型底层提取的特征与通过掩膜图像获得的形状特征进行重校准,提出低尺度重校准损失函数;最后,构建一个包含1550张乳腺超声图像数据集LSRD (low-scale recalibration database),验证所提方法的有效性. 实验结果表明:本文模型在LSRD上准确率94.3%、敏感性91.2%、特异性93.6%、ROC (receiver operator characteristic curve)与坐标围成的面积(area under curve,AUC)为0.941,均优于对比模型;在BUSI (breast ultrasound image)数据集上,相较于对比模型,其分类精度提升3.3%.

面向舰船目标检测的SAR图像数据PCGAN生成方法
潘磊, 郭宇诗, 李恒超, 王伟业, 李泽琛, 马天宇
2024, 59(3): 547-555. doi:10.3969/j.issn.0258-2724.20210630
摘要:

针对现有合成孔径雷达(SAR)图像数据生成方法大多无法同时生成舰船图像及其检测标签的问题,面向SAR舰船图像生成及目标检测任务,构建基于位置信息的条件生成对抗网络(PCGAN). 首先,提出将舰船位置信息作为约束条件用于限制生成图像中舰船的位置,并将其作为舰船图像的检测标签;随后,引入Wasserstein距离稳定PCGAN的训练过程;最后,利用生成的SAR舰船图像及对应检测标签完成YOLOv3网络的端到端训练,实现舰船数据增强与目标检测的协同学习,进而获得更耦合目标检测实际应用的多样性数据. 在HRSID (high resolution SAR image dataset)数据集上的实验结果表明,PCGAN方法能生成清晰、鲁棒的SAR舰船数据,舰船检测准确度最高提升1.01%,验证了所提出方法的有效性.

卫星通信中高鲁棒性自适应波束赋形算法
张颉, 徐厚东, 王海, 贺洪星, 李里, 傅宁, 涂斌
2024, 59(3): 556-563. doi:10.3969/j.issn.0258-2724.20210744
摘要:

在卫星通信中,采用自适应波束赋形技术能极大提升导航接收机的抗干扰性能,然而,传统自适应波束赋形算法对模型失配极为敏感. 针对传统自适应波束赋形算法在期望信号导向矢量和协方差矩阵失配时,输出性能急剧下降的问题,本文提出了一种高鲁棒性自适应波束赋形算法. 该算法首先估计期望信号的输入信噪比(SNR),再根据SNR构造投影矩阵来估计期望信号导向矢量和干扰信号导向矢量;接着,基于不确定集优化方法再次校正期望信号导向矢量和干扰信号导向矢量;最后,估计信号功率并重构干扰加噪声协方差矩阵. 仿真结果表明,相比于协方差矩阵重构波束赋形算法,本文算法具有更优异的输出信干噪比(SINR)性能,当SNR为10.0 dB并存在期望信号波达方向(DOA)估计失配时,本文算法的输出SINR增益可达1.9 dB;当存在波前扰动失真时,输出SINR增益约1.5 dB;当存在局部相干散射时,输出SINR增益约1.6 dB.

相干衰落抑制Φ-OTDR的分布式光纤周界安防技术
胡祖翰, 钱恒, 石先明, 刘利平, 徐余明, 罗斌
2024, 59(3): 564-571. doi:10.3969/j.issn.0258-2724.20220443
摘要:

基于相位敏感光时域反射计(Φ-OTDR)的分布式光纤振动传感系统在铁路周界安防中有着重要的应用前景. 为降低Φ-OTDR中固有的相干衰落对相位解调的影响,提高扰动信号识别率,提出一种基于矢量旋转滑动平均(MVRA)的相干衰落抑制方法. 首先,对探测信号复矢量化,并对各位置的复矢量信号按初相角进行旋转对齐;然后,采用滑动平均的方法缓和信号幅度起伏以及减小噪声功率,提高信噪比,进而抑制相干衰落;其次,从衰落抑制信号解调出扰动信号,将MVRA与频谱提取重组(SERM)、数字向移变换(DPST)方法进行对比,通过差分相位标准差验证抗衰落效果;最后,通过搭建分布式光纤周界入侵检测实验平台,模拟环境噪声、应力破坏、攀爬、剪网4种防护扰动信号,以解调的相位灰度图作为特征图像,使用卷积神经网络进行模式识别. 实验结果表明:相比SERM、DPST,MVRA能更高效地抑制衰落,当滑动窗长50 ns时,MVRA提高11.2 dB信噪比;扰动信号的识别率由衰落抑制前的88%提高到衰落抑制后的92%.

基于重构距离向分谱法的时序InSAR电离层校正及分析
毛文飞, 王晓文, 刘国祥, 杨友涛, 向卫, 蔡嘉伦, 符茵, 张瑞
2024, 59(3): 572-580. doi:10.3969/j.issn.0258-2724.20210541
摘要:

合成孔径雷达干涉技术(InSAR)受电离层延迟影响较大,特别是在低高纬地区,用于时序InSAR解算的干涉对数量大大减少,严重影响了低频合成孔径雷达(SAR)系统的监测精度. 针对该问题,引入重构距离向分谱法(RRSSI),将其扩展为时序InSAR电离层误差估计与校正方法. 为测试方法性能,获取2006年6月至2010年8月间覆盖阿拉斯加Anaktuvuk河区域的ALOS-1 PALSAR数据进行实验. 实验结果表明:本文方法能够有效估计时序InSAR结果中的电离层误差,且对小空间尺度电离层扰动具有较高的敏感性;经提出方法校正后,研究区域的年平均形变速率均值从校正前的1.46 cm/a降至0.49 cm/a,而标准差则从1.16 cm/a降至0.65 cm/a,精度显著提升;选取时序点的累积形变由校正前的大幅波动变得更加平稳,更符合形变规律.

CPS-SPWM级联H桥激励的变压器铁耗快速计算方法
张新生, 王瑞田, 肖飞, 任强, 谢沁园
2024, 59(3): 581-589, 599. doi:10.3969/j.issn.0258-2724.20210789
摘要:

针对载波移相(CPS)正弦脉宽调制(SPWM)级联H桥激励的变压器,提出一种基于经典损耗分离模型的铁耗快速计算方法. 首先,结合SPWM电压波形特征定义集总占空比,并推导其关于调制比的解析模型;其次,基于经典损耗分离模型和集总占空比,构建CPS-SPWM级联H桥的铁耗计算模型,该方法可以直接使用调制比、直流母线电压等参数对铁耗进行计算,从而避免传统方法中的谐波分析或者数值积分过程;再次,基于本文铁耗计算模型,提出了一种针对SPWM电压激励的有限元(FEM)仿真等效方法,最后,通过实验验证了本文计算方法的有效性. 研究结果表明:等效仿真铁耗误差小于3.6%、仿真用时减少74.5%;最大铁耗计算误差为7.6%.

高速磁浮列车搭接结构悬浮系统仿真分析
王志强, 龙志强, 李晓龙
2024, 59(3): 590-599. doi:10.3969/j.issn.0258-2724.20210932
摘要:

为模拟高速磁浮列车悬浮系统运动过程并分析不同条件下的系统响应,本文围绕悬浮系统建模、控制器设计和仿真分析展开研究. 首先,介绍以搭接结构为基本单元的高速磁浮列车悬浮系统的基本结构与工作原理,通过机理分析方法构建理想情况下的悬浮系统数学模型;然后,对悬浮系统模型进行合理简化,并针对简化模型设计标称控制器;最后,仿真验证了标称控制器的控制效果,并对比分析仿真和实验条件下永磁电磁混合悬浮系统的起浮降落过程. 研究结果表明:仿真得到的悬浮间隙、悬浮电流等物理量的变化情况与实际系统的变化趋势吻合,稳态时误差小于5%.

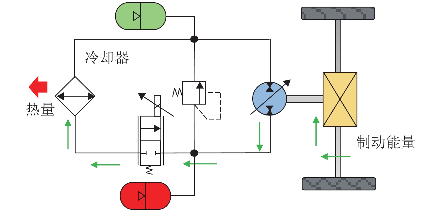
电液混合动力系统关键技术及能量管理研究综述
刘桓龙
2024, 59(3): 600-614. doi:10.3969/j.issn.0258-2724.20211011
摘要:

现有混合动力驱动技术以油电、油液混合动力为主,旨在提高传统燃油车辆的能量利用率、降低油耗和排放. 基于液压技术的大功率密度及能量再生优势,电液混合动力系统可在全速工况范围内实现能量高效利用,提高纯电驱系统的功率密度,有效改善电动车辆续驶里程及蓄电池循环使用寿命. 本文对电液混合动力系统构型、能量回收技术、能量释放模式及控制策略等相关研究成果的进展、现状及发展趋势进行综述,分析了利用电液混合动力构型与先进能量管理策略提升纯电动车辆动力性能与能量利用率的可行性技术方案与应用前景. 根据已有研究成果,装备电液混合动力系统后车辆最大可降低约40%的能量消耗,在能量高效利用方面具有显著优势. 对于电液混合动力系统而言,液压能再生、耦合与释放等与行驶场景及电机工况点密切相关,研究重点应解决动力耦合、再生制动与能量管理等关键技术,从而提升动力系统的综合性能特别是功率密度与节能特性.

近远场地震下RC大跨轻柔拱桥减隔震支座方案优化
邵长江, 崔皓蒙, 漆启明, 韦旺, 庄卫林, 黄辉, 袁得铮
2024, 59(3): 615-626. doi:10.3969/j.issn.0258-2724.20220122
摘要:

为探明不同地震动输入对某大跨轻柔拱桥减隔震的影响,通过非线性有限元模型分析近远场地震下桥梁结构的响应规律,得到大桥支座的优化布置方案. 首先,基于模态分析,对比该桥与传统钢筋混凝土(RC)拱桥动力特性差异;其次,选取不同脉冲周期的近场地震动、近场无脉冲及远场长周期地震动记录;最后,研究近远场地震下拱桥的响应行为和损伤演化路径,得到优化桥梁的减隔震支座设计方案. 研究结果表明:近场脉冲及远场长周期地震下的桥梁结构响应大于无脉冲地震响应;纵竖向地震下高墩柱剪力及弯矩包络曲线呈“S”形,墩身中部易形成塑性铰,高阶振型影响显著;桥梁纵桥向先于横向震损,损伤路径依次为矮柱、高墩柱及拱肋实心-空心截面段;摩擦摆支座减震效果最佳但位移较大,高阻尼支座方案在近场中长脉冲周期及远场长周期地震下仍会发生损伤,板式橡胶支座方案因无法保证支座同步滑移而不能形成准隔震体系;“高阻尼 + 摩擦摆”混合方案的支座位移小,拱肋及墩柱均处于弹性,是近断层大跨轻柔RC拱桥的优选减隔震方案.

断索状态下斜拉桥以及桥上列车的动力响应
王涛, 张兴标, 王路
2024, 59(3): 627-636. doi:10.3969/j.issn.0258-2724.20220266
摘要:

为研究大跨度公铁两用斜拉桥断索状态下,风、列车动力作用时的动力响应特性,以实际斜拉桥为研究对象建立全桥3维计算模型. 使用非线性隐式动力时程算法,分析突然断索时全桥结构的动力响应;研究列车-桥梁耦合作用下,不同突然断索工况发生时,桥梁结构与桥上行驶列车的动力响应;讨论在少量拉索断索后,结构处于静力平衡状态时,风-列车-桥梁耦合动力作用下,桥梁结构与桥上行驶列车的动力响应;使用非线性显式有限元动力时程算法,研究拉索在横向风作用下的断裂下坠状态. 研究结果表明:大跨度公铁两用斜拉桥具有较高的安全冗余,跨中双侧较长拉索超过12根断裂后才可能导致连续断索垮塌;单根拉索断裂时其余拉索最大动应力增幅约为100 MPa,对桥梁结构安全性影响较小;列车在桥上行驶时,若发生突然断索,会导致列车加速度响应发生较为明显变化,各个工况计算结果中,最大约为1.5 m/s2;单根最长拉索断裂后,列车过桥竖向位移响应增加小于0.01 m,对桥梁刚度影响较小,可保持列车通行;当最长拉索发生断裂时,若横向风速达到30 m/s,可能使断裂拉索坠落在主梁上层车道内,入侵距离约为5 m,影响上层车道的通行安全.

隧道下穿诱发既有管道-土体非协调变形解析研究
潘钦锋, 张丙强, 黄志斌
2024, 59(3): 637-645. doi:10.3969/j.issn.0258-2724.20230334
摘要:

为分析隧道下穿既有管道施工时既有管道底部脱空对其挠曲响应的影响,提出隧道下穿施工诱发既有管道-土体非协调变形理论模型及其解析解. 首先,将既有管道视为无拉力Pasternak地基上的Euler梁,根据管道与底部土体的接触状态,建立下穿施工引起既有管道-土体非协调变形控制方程,并推导出既有管道挠曲计算式;然后,采用提出的理论方法,探讨了既有管道脱空区上部竖向土压力、抗弯刚度及其所处位置地层沉降槽宽度和最大值等参数对其底部脱空区长度的影响;最后,提出下穿施工引起既有管道底部脱空区长度的参数归一化经验计算式,进一步简化新建隧道下穿施工引起既有管道挠曲的计算方法. 研究结果表明:既有管道底部脱空区长度与2个归一化参数(既有管道抗弯刚度与地基刚度比、既有管道脱空区上部竖向土压力与地层自由沉降槽最大值比)呈较好的相关性,其拟合公式计算值与理论数据的相关系数接近于1.

基于双层梁理论的隧道下穿诱发无砟铁路变形计算方法
雷鸣, 张丙强, 刘海, 黄志斌
2024, 59(3): 646-652, 669. doi:10.3969/j.issn.0258-2724.20230033
摘要:

为研究隧道下穿无砟铁路轨道时板底部脱空对轨道变形的影响,提出一种改进的隧道下穿引起无砟铁路变形的计算方法. 首先,将无砟铁路轨道结构简化为双层地基梁模型,建立隧道下穿施工引起无砟铁路变形的控制方程;然后,将无砟铁路分为中间脱空段和两端接地段共三部分,推导隧道下穿施工诱发无砟铁路变形的计算式,对比路基不均匀沉降引起无砟轨道变形的理论计算值与数值模拟结果,验证了理论计算方法的正确性;最后,探讨了新建隧道埋深、隧道下穿施工引起周围地层的损失率,以及既有铁路与隧道间的水平夹角对无砟铁路轨道变形的影响. 研究结果表明:当隧道从铁路下方6 m处垂直穿越既有铁路时,轨道中点变形将达到最大值;隧道施工引起周围地层损失率从0.25%增大到2.50%时,轨道中点变形和轨道板底部脱空区宽度将分别增大4.0倍和2.2倍.

结合型式对地铁车站上盖物业的振动响应影响
许炜萍, 刘易然, 黄谦, 刘旭, 赵楚轩, 王呼佳, 杨朋, 孙克国
2024, 59(3): 653-662. doi:10.3969/j.issn.0258-2724.20220284
摘要:

为研究地铁振动对不同结合类型地铁车站及其上方的动力反应影响,基于地铁车站与上盖物业连接型式的主要承载区别,提出“软结合”“硬结合Ⅰ”“硬结合Ⅱ”3种结合型式;然后,采用车-轨耦合模型得到列车荷载谱,利用有限差分软件FLAC3D建立地铁车站-上盖物业数值仿真模型,并与实测数据进行对比,验证数值仿真模型与参数的正确性;最后,基于数值仿真,从时域、频域出发,研究3种结合型式下上盖物业的振动响应. 研究结果表明:软结合型式下站厅层到上盖物业一层加速度峰值减小69.10%,硬结合Ⅰ型减小2.08%,硬结合Ⅱ型增大2.94%,硬结合型式下上盖物业振动加速度较软结合型式大;3种结合型式下上盖物业振动的频率主要在40~90 Hz,且对于上盖物业同一楼层,振动随距振源距离的增大而逐渐减小;软结合型式下上盖物业一层加速度级最大值为68.2 dB,较站厅层减小11.3 dB;硬结合Ⅰ型、硬结合Ⅱ型的上盖物业加速度级最大值分别为83.4 、79.4 dB;地铁振动造成上盖物业附加第一主应力很小,且在向上传播过程中衰减很快;从站厅层到上盖物业,软结合型式第一主应力衰减85.81%,硬结合Ⅰ、Ⅱ型式分别衰减63.46%、72.27%,间隔土对附加应力有明显衰减作用. 在地铁实际建设工程中建议选用软结合型式.

交替提升与张拉的索穹顶结构施工优化方法
姜正荣, 苏延, 石开荣, 李之吉, 魏德敏, 梁霖
2024, 59(3): 663-669. doi:10.3969/j.issn.0258-2724.20210677
摘要:

为确保索穹顶结构施工成型前索杆内力的平稳变化,提出了交替提升内拉环与张拉最外圈斜索的施工优化方法. 首先,以施工过程中的平均结构应变能最小为优化目标,对内拉环的逐级提升高度进行优化;其次,通过仿真分析得到施工过程中的索杆内力和节点位移,并与仅张拉最外圈斜索的施工方法进行对比. 结果表明:交替提升内拉环与张拉最外圈斜索的施工优化方法可有效减小施工过程中的索杆内力,降幅最大达61.83%,避免了施工成型前索杆内力的大幅波动,且结构位形变化较平缓,相邻施工步的竖向位移差最大为1.43 m,平均结构应变能较低,仅为55.03%,优化效果显著,验证了该优化方法对索穹顶结构施工模拟的适用性.

顾及观测空间信息的CPⅢ网多维粗差可区分能力分析
闫广峰, 岑敏仪
2024, 59(3): 670-676, 711. doi:10.3969/j.issn.0258-2724.20211008
摘要:

高铁轨道控制网(CPⅢ网)是一个自由测站、自动观测的边角同测后方交会测量网,其观测值间的粗差可区分性除了与控制网设计空间有关外,还会受到全站仪自动观测等观测空间因素的影响. 为此,在由粗差判断方程得到CPⅢ网多维观测值粗差可区分能力的设计空间相关关系基础上,考虑CPⅢ网数据采集中全站仪自动观测特点,引入观测值时序相关性,将观测值间的可靠性关系由传统只考虑设计空间影响扩展到综合评价设计空间和观测空间影响,挖掘得到符合CPⅢ网测量实际的多维粗差可区分能力的规律;然后,采用蒙特卡罗方法验证顾及观测空间信息的CPⅢ网多维粗差可区分能力的正确性. 研究结果表明:CPⅢ网观测值可靠性会受到观测空间的影响,在粗差探测实践中应予以考虑;CPⅢ网中每个测量边观测值均有粗差发现与定位能力;观测同一个目标点的3个测量边中最多可发现并定位1个测量边中的2个粗差;当测站点无错误时,1个测站观测 n 个目标点的 n 个测量边中,最多可以发现并定位⌊ n /2⌋个测量边中的2⌊ n /2⌋个粗差.

青藏铁路接触网异型桩基抗冻拔模型试验研究
周亚龙, 王旭, 蒋代军, 刘德仁, 何菲, 晏昌, 牛富俊
2024, 59(3): 677-684. doi:10.3969/j.issn.0258-2724.20220241
摘要:

保证接触网支柱桩基础的冻拔稳定性是青藏铁路格拉段电气化改造工程建设中的关键问题之一,为研究不同截面形式桩(等截面圆形桩Z1、直锥柱形桩Z2及曲锥柱形桩Z3)的抗冻拔性能,以青藏线路基填料为试验土体,进行3个冻融循环的室内模型试验,得到冻融作用下接触网支柱桩基础的地温、桩顶位移及桩身应力的分布规律. 试验结果表明:路基体的冻结(融化)是二维冻结(融化),接触网支柱桩基础附近的冻结深度约为30 cm;路肩处土体的竖向冻胀位移为4.30 mm,Z1的竖向冻拔量为0.26 mm,Z2与Z3的竖向冻拔量分别为Z1的46%、58%,3根桩的桩顶均产生约0.1 mm的水平位移;冻结过程中桩基整体受拉,冻深附近桩身轴力最大;切向冻胀应力的最大值出现在地表附近,曲锥柱形桩切向冻胀总力最小,抗冻拔效果最好.

深隧系统多工况入流冲击滞留气团分析
汪怡然, 俞晓东, 刘甲春, 张健, 徐辉
2024, 59(3): 685-690. doi:10.3969/j.issn.0258-2724.20211053
摘要:

深隧系统作为一种有效的城市内涝防治措施,在多竖井入流时存在气团滞留,可能引发压力振荡等问题,从而威胁系统的运行安全. 依托苏州河段深隧工程,建立双竖井单隧洞深隧系统模型,采用计算流体力学方法进行数值计算,并通过模型充水试验进行验证,分析多工况入流冲击所导致的气团滞留对压力波动的影响,并总结其规律. 结果表明:在设计入流工况下,3.5%的气团滞留可导致最大压力达到35.36 m,相当于控制水位竖井静压的1.77倍;当竖井总入流量恒定时,流量分配对压力的影响较小,而对称入流时极值压力最大,比单侧入流分别偏高3%和6%;在对称入流情况下,随着总入流量的增加,气团的最大压力会先增加后趋于稳定,在总入流量为116 m3/s时,相较于29 m3/s时增大约30%.

结构失效概率分析的球层抽样方法
白冰
2024, 59(3): 691-699. doi:10.3969/j.issn.0258-2724.20210848
摘要:

传统Monte Carlo抽样方法应用于小失效概率等复杂可靠度问题时,存在效率低下、精度有限等不足,针对这一问题提出一种球层抽样分析方法. 首先,通过分离距离与方向参量,对标准正态随机向量进行重构,并验证其标准正态性与相互独立性;然后,采用分层抽样策略,将半径大于一阶可靠度指标外的正态空间划分为多个球层,进而利用所重构的向量逐层进行抽样,并结合全概率公式,形成估计结构失效概率的球层抽样算法;最后,通过对3个典型算例进行对比分析,验证算法性能. 分析表明:所提出算法具有较高的抽样效率与收敛性能,算例计算结果误差在3%以内;与其他算法相比,其估计方差更小,且可有效解决多设计验算点等复杂可靠度问题;算法在抽样效率、适用范围以及稳定性等方面具有优势,更适用于实际复杂结构可靠度的求解分析.

温度影响下碳纤维导线分层力学特性有限元分析
祝贺, 袁鸣, 郭鑫
2024, 59(3): 700-711. doi:10.3969/j.issn.0258-2724.20210686
摘要:

为探明温度对碳纤维导线分层力学特性的影响,考虑拐点温度,利用电热模块施加不同电压得到多种温度,并计算分析不同温度和拉断力条件下碳纤维导线的各层、各股和各截面应力应变分布. 研究结果表明:拐点温度后,碳芯受到正向应力但铝绞线承受负向应力,使碳纤维导线失去了承担拉断力的作用;各股线的最大应力和应变均出现在线的两端,倒角位置的应力和应变结果略大于对应股线主体上的应力;碳纤维导线各个截面的最大应力均为正值,均出现在碳芯上,其靠近外力施加端截面的最大应力出现突然下降的现象;碳纤维导线更适用于各种温度条件,但应注意导线两端夹持位置和梯形截面中小截面的力学特性变化.

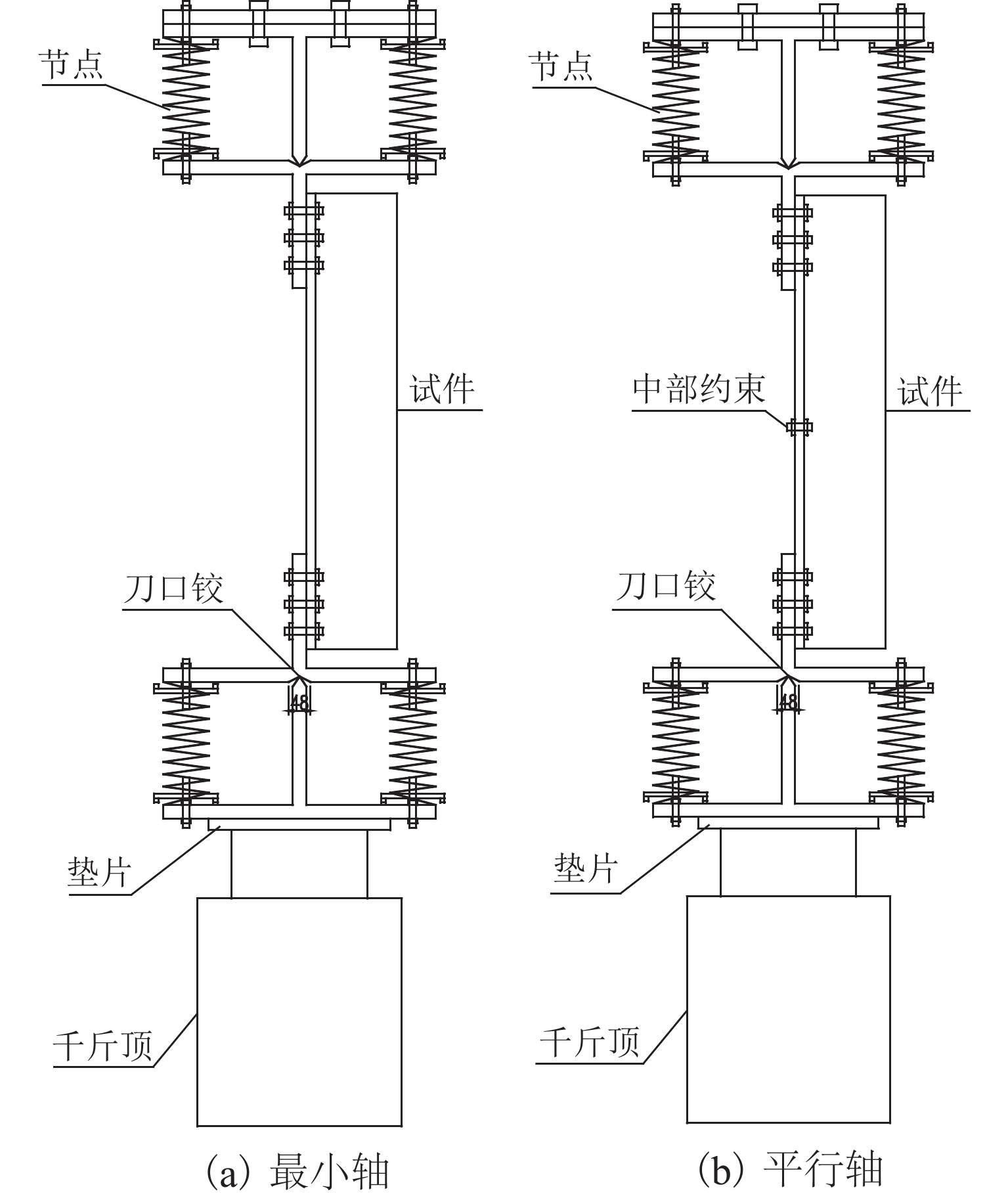
输电塔斜材不同节点型式下的受压承载力
鄢秀庆, 何松洋, 李正良, 韩大刚, 高见, 刘红军
2024, 59(3): 712-719. doi:10.3969/j.issn.0258-2724.20220573
摘要:

为研究节点约束下输电塔斜材受压承载力的计算方法,通过对120根等边角钢的偏心受压承载力试验,分析其最小轴、平行轴布置时的破坏模式、承载力及变形形态,研究不同约束刚度、节点型式对其承载力的影响;结合现行行标公式,针对不同节点连接型式(A、B、C类),提出输电塔斜材受压长细比的计算公式. 研究结果表明:长细比小于120时,构件承载力主要受偏心控制,偏心越大,承载力越低;而长细比大于120时,构件承载力主要受约束刚度控制,约束刚度越大,承载力越高;A、C类连接在不同长细比时各具优势,但B类连接的承载力始终低于A、C类连接;国内外规范计算值与试验值均存在较大的偏差,具有一定的局限性,体现在小长细比构件偏心及大长细比构件约束修正不足等方面;所提出长细比修正公式的计算结果与试验结果吻合良好,可用于指导工程设计.

基于航测数据的不同风格换道轨迹规划
徐婷, 邓恺龙, 刘永涛, 赵磊, 张志顺, 范娜, 马金凤, 陈姝屹
2024, 59(3): 720-728. doi:10.3969/j.issn.0258-2724.20230392
摘要:

不当的换道行为可能危及交通安全,导致交通事故和拥堵,因此有必要探索不同驾驶风格下在车道出口的换道轨迹. 本文利用中国高速公路和快速路拥堵场景数据集中的车辆轨迹数据,采用K-means算法将驾驶人分为谨慎型、普通型和激进型三类;通过聚类分析和换道时间预测,以最小化换道纵向位移和行驶稳定性加权值之和为优化目标,同时以舒适性和安全性评价指标为约束条件,采用五次多项式进行最优换道轨迹规划;随后,使用遗传算法解决轨迹规划问题,基于Prescan、CarSim、MATLAB/Simulink仿真平台建立横纵向联合控制二自由度车辆动力学模型;最后,设计自车前车、目标车道前车和目标车道后车三种典型换道场景,并通过仿真实验评价不同驾驶风格下的换道轨迹规划效果和车辆轨迹跟踪控制效果. 实验结果表明:在目标车道有车的场景下提出的融合驾驶风格的轨迹规划算法使得规划的换道轨迹增加了激进型驾驶风格的换道时长,同时减少了普通型和谨慎型驾驶风格司机的换道时长,进而能够确保换道过程的时效性、安全性和舒适性.

Baidu
map