• ISSN 0258-2724
  • CN 51-1277/U
  • EI Compendex
  • Scopus 收录
  • 全国中文核心期刊
  • 中国科技论文统计源期刊
  • 中国科学引文数据库来源期刊

2024年 第59卷 第2期

显示方式:
考虑材料温变特性的三维轮轨接触热分析
王平, 张洪吉, 孙耀亮, 安博洋, 何庆
2024, 59(2): 239-246, 306. doi:10.3969/j.issn.0258-2724.20220093
摘要:

为研究材料温变特性对轮轨接触行为和摩擦温升的影响,提出了一种考虑材料温变特性的三维轮轨热力耦合模型,能够考虑纵、横向蠕滑率和自旋的影响,更为真实地模拟轮轨系统的服役状态. 首先,研究了热力耦合建模方式对轮轨界面摩擦温升及接触应力的影响;随后,将该模型应用于地铁小半径曲线处车辆-轨道相互作用模拟. 结果表明:当轮轨界面温度达到450 ℃时,轮轨接触应力显著降低,降幅可达20%;考虑热力耦合建模后,轮轨界面的预测温升明显低于不考虑热力耦合建模时的结果,在蠕滑率为0.16时,两者的差异可达51%;地铁车辆在小半径曲线线路上运行时轮轨摩擦温升因过大的蠕滑率与自旋会急剧增大到750 ℃,应考虑轮轨热力耦合建模以避免过高估计轮轨摩擦温升以及轮轨接触应力.

扣件刚度非线性对波磨区轮轨瞬态滚动接触行为的影响
徐井芒, 梁新缘, 王凯, 赵思琪, 王平
2024, 59(2): 247-255. doi:10.3969/j.issn.0258-2724.20211043
摘要:

WJ-8型扣件橡胶垫板刚度在长期服役过程中表现出非线性特征,静刚度随荷载增加而降低,为提高三维瞬态滚动接触有限元模型计算精确性,本文以LMA踏面车轮及CHN60型钢轨为基础,基于显式积分算法,将以往研究中线弹性扣件转化为非线性扣件,建立考虑扣件刚度非线性特征的三维轮轨瞬态滚动接触有限元模型,研究刚度非线性对车轮与钢轨波磨间高频动态响应及瞬态接触行为的影响,并重点分析了波磨工况下时频域内轮轨接触力、轴箱加速度的变化信息. 结果表明:扣件非线性对轮轨接触力变化影响明显,主要表现为车轮行驶至扣件前端时强振动导致橡胶垫板表现为柔软特性使轮轨接触力减小,车轮行驶至扣件上方时在轴重作用下振动减弱表现为刚硬特性使轮轨接触力增大,轮轨力变化差异最大达到13.1%.

基于离散元方法的道床捣固及吹砟维护机理
陈成, 饶文锦, 李文俊, 张磊, 汤语嫣
2024, 59(2): 256-263, 306. doi:10.3969/j.issn.0258-2724.20220171
摘要:

为从细观上研究捣固和吹砟的维护机理,建立了离散元道砟箱数值模型,并耦合多体动力学的捣固镐模型和计算流体力学的吹砟管模型,对捣固与吹砟的作业全过程进行可视化模拟,基于离散元耦合数值模拟,对比分析了2种道床维护方法对道床扰动及作业后轨枕沉降. 结果表明:吹砟作业各阶段对道床的扰动和道砟平均接触力均小于捣固,且扰动主要集中在下插阶段,吹砟作业过程中道砟颗粒速度峰值和接触应力峰值仅为捣固的37.5%和38.9%;捣固后,轨枕底部区域密实度提高了约13.6%,轨枕间上部和下部区域密实度分别降低了约21.0%和提高了约4.8%;吹砟后,轨枕底部区域密实度提高了约6.5%,轨枕间上部和下部区域密实度几乎无变化;在轨枕底部吹入碎石,吹砟作业极大地改善了轨枕底的接触状态和应力扩散,轨枕与道砟颗粒接触数增加了约243%,荷载传递更均匀;1 000次循环加载后,吹砟作业后的轨枕沉降相较捣固和未维护工况分别减少了约18.1%和44.4%.

基于B样条曲线的心轨重构廓形参数影响分析
赵卫华, 曹洋
2024, 59(2): 264-272. doi:10.3969/j.issn.0258-2724.20220693
摘要:

针对固定辙叉钢轨廓形不规则变化特点,基于B样条理论提出一种考虑固定辙叉钢轨断面廓形特征的参数化设计方法,并提出拟合钢轨廓形贴合度评价指标和关键控制参数对廓形贴合度影响权重指标;以60 kg/m钢轨12号固定辙叉为例,采用DOE (design of experiments)方法分析轨顶横坡、侧面纵坡和复合圆弧段比例系数对心轨轨头整体廓形、轨顶面廓形和侧面廓形的影响. 结果表明:1) 在心轨20 mm断面,轨顶横坡、侧面纵坡和复合圆弧段比例系数对心轨整体廓形变化的影响权重分别为21.08%、56.89%和22.02%,对心轨顶面廓形变化影响权重分别为8.42%、61.95%、29.63%;在心轨50 mm断面,各关键控制参数对心轨轨头整体廓形变化影响权重分别为55.9%、33.38%、10.72%;侧面纵坡对心轨20 mm和50 mm断面的侧面廓形变化影响权重分别为76.82%、66.04%. 2) 当心轨轨头宽度为20 mm时,侧面纵坡对各部分廓形变化影响均达到50%以上;随着心轨轨头宽度的增大,心轨轨顶横坡对整体廓形变化影响权重由21.8%增至55.9%,侧面纵坡和复合圆弧段比例系数影响权重则分别减小41.3%和51.3%.

温升作用下CRTS型板宽窄接缝受力及损伤分析
刘笑凯, 刘学毅, 肖杰灵, 董佳佳
2024, 59(2): 273-280. doi:10.3969/j.issn.0258-2724.20210946
摘要:

为研究宽窄接缝在温升作用下的受力和损伤,根据混凝土塑性损伤理论和内聚力理论,建立考虑新旧混凝土界面的宽窄接缝细部的有限元模型;计算不同温升条件下的宽窄接缝应力和损伤因子,并分析宽窄接缝强度和窄接缝宽度的影响. 研究结果表明:窄接缝挤碎是一种渐变受压损伤,宽、窄接缝交界处断裂是一种脆性受拉损伤;与宽、窄接缝交界处断裂相比,窄接缝挤碎对结构受力影响更大;宽窄接缝尺寸不均匀导致宽、窄接缝交界处垂向受拉,这是宽窄接缝产生损伤的主要原因;提高宽窄接缝的混凝土强度可有效降低垂向拉应力和受拉损伤,但对纵向应力和受压损伤影响较小;为改善受力并降低损伤,建议宽窄接缝混凝土与轨道板等强,并且宽窄接缝上下等宽.

高铁防水封闭层沥青混凝土冻融损伤演化模型
李进, 石越峰, 肖鑫, 楼梁伟, 蔡德钩, 肖飞鹏
2024, 59(2): 281-288. doi:10.3969/j.issn.0258-2724.20220335
摘要:

为研究高速铁路防水封闭层用沥青混凝土(简称铁路沥青混凝土)的冻融损伤演化,制备了选用不同沥青和不同目标级配的4种聚合物复合改性铁路沥青混凝土,分析重复冻融循环作用下多温域宏观力学性能的劣化规律. 构建针对冻融损伤演化模型,并对反复冻融循环作用下的损伤度进行计算. 研究发现:4种铁路沥青混凝土在10次冻融循环作用后,各项力学性能指标的残留率均在80%以上;低温断裂能指标对冻融循环次数的增加最为敏感,更能及时反映铁路沥青混凝土的力学性能劣化;基于统计可靠度理论构建的铁路沥青混凝土冻融损伤演化模型的拟合优度值均接近0.99.

波形钢腹板梁焊接残余应力分布及试验验证
冀伟, 刘勇
2024, 59(2): 289-297. doi:10.3969/j.issn.0258-2724.20220054
摘要:

为研究波形钢腹板梁焊接残余应力的分布规律,通过有限元软件建立其三维热弹塑性模型,利用热-力耦合分析技术对其焊接温度场和应力场进行有限元数值仿真,采用双椭球体热源和修改单元材料属性的方法实现能量输入和焊缝填充,并将模拟计算结果与实测值进行对比分析. 结果表明:有限元预测的波形钢腹板梁残余应力分布与实测结果具有相同趋势,在波形钢腹板梁焊缝的弯折角处,残余应力发生一定幅度的连续应力波动;底板和腹板的残余应力峰值均出现在焊缝中心区域,其值分别为材料屈服强度的1.30倍和1.26倍;底板纵向残余拉应力在焊缝中心线两侧78 mm范围内急速下降后缓慢过渡为压应力,在底板较窄一侧压应力线性增大,最大值约为材料屈服强度的0.61倍;在底板较宽一侧压应力线性减小,并在边缘处转化为拉应力;焊接速度对残余应力分布扰动不大,而对残余应力峰值影响较显著;当焊接速度从150 mm/min增加至250 mm/min时,横向和纵向的残余应力最大值分别增加了27.11%和5.88%.

单边空间索面曲梁独塔悬索桥主缆线形分析
杨勇智
2024, 59(2): 298-306. doi:10.3969/j.issn.0258-2724.20230197
摘要:

目前空间索面悬索桥主缆成桥线形分析方法需要进行复杂的主缆微分方程求解,具有约束方程形式复杂、迭代收敛性受初值影响大等不足. 为解决主缆线形求解过程收敛性问题,本文借鉴等代梁法思路,推导得到外荷载与主缆线形的几何关联方程,并进一步构造出求解空间主缆线形的两阶段分析方法:在粗算阶段,通过解耦处理将初值要求降到最低,得到“具有足够精度且确保收敛”的结果,作为精算阶段初值;在精算阶段,采用迭代计算得到空间主缆线形精确解. 通过人行悬索桥算例验证两阶段分析方法的可行性和有效性,并使用有限元软件验证计算成果精度. 研究成果表明:本文所提出的方法对初值要求低,无需专门构造初值,迭代循环剔除了变形相容条件及无应力长度计算,求解效率更高,并且能快速收敛得到主缆线形精确解,适用于单边空间索面曲梁独塔悬索桥主缆成桥线形分析.

疲劳裂纹气动冲击的维修机理及效果
袁周致远, 吉伯海, 傅慧, 孟城
2024, 59(2): 307-314. doi:10.3969/j.issn.0258-2724.20220365
摘要:

为探明气动冲击技术对钢桥面板疲劳裂纹的维修机理及修复效果,首先基于动力学理论,研究气动冲击过程中靶材的塑性变形规律,分析在塑性变形作用下的裂纹表面闭合过程;随后,采用数值模拟,探讨裂纹表面闭合部位的局部应力场及其在受载作用下的应力响应和变形规律;最后,通过疲劳试验对气动冲击的维修效果进行对比验证. 结果表明:所提出的数学模型可对冲击深度进行预测,气动冲击过程中材料表面将产生显著的塑性变形,其冲击深度与横向变形近似相等;当裂纹断面横向相对变形量大于裂纹宽度时,会产生接触闭合及相互挤压行为,从而在接触闭合部位形成局部压应力区;该压应力能够一定程度上抵抗外荷载对裂纹表面的张拉作用,降低裂纹尖端应力强度因子,从而延缓或阻碍疲劳裂纹扩展.

基于频域分析的高速列车侧风倾覆机理
王铭, 李星星, 李小珍
2024, 59(2): 315-322, 342. doi:10.3969/j.issn.0258-2724.20210571
摘要:

侧风作用下列车的动态环境以轮轨相互作用为主向,以空气动力作用为主演变,列车的侧风倾覆行为成为威胁列车行车安全性的主要诱因. 首先,采用精细化车-轨耦合模型开展列车侧风倾覆的频域特性分析,以明确侧风倾覆响应对列车模型的敏感性;基于考虑模态特性的频域分析框架,推导脉动风及轨道不平顺与列车倾覆动力响应间的传递函数,结合相应参数进行分析,以直观揭示列车的侧风倾覆机理. 结果表明:列车倾覆行为受绕车体下心侧滚模态和车体沉浮模态控制影响,其风荷载影响要明显大于轨道不平顺;在轨道不平顺激励下,第一阶模态贡献主要由轨向不平顺引起,第二阶模态贡献主要由高低不平顺引起,在脉动风荷载激励下,其顺风向脉动风分量起主要贡献;车速、风速和风向角的增大都会引起列车动力响应的增大,进而降低列车安全运营时的最大允许风速;失效概率的增大会降低动力响应的极值,进而提高安全运营风速.

考虑冲刷效应的大跨桥梁地震-风-车-桥耦合振动分析
王亚伟, 朱金, 郑凯锋, 苏永华, 郭辉, 李永乐
2024, 59(2): 323-331. doi:10.3969/j.issn.0258-2724.20220091
摘要:

为研究冲刷效应对地震与风联合作用下大跨桥梁动力响应的影响,在已建立的地震-风-车-桥耦合振动分析模型基础上,利用 p - y 曲线( p 为土阻力, y 为变形)折减法考虑不同冲刷深度的桩土荷载-位移关系,根据桩土荷载-位移关系和冲刷深度更新桩基的侧向支撑刚度和长度,从而考虑了冲刷效应对大跨桥梁动力响应的影响,并将模型应用到江顺大桥冲刷效应的分析研究中. 研究结果表明:基础冲刷减弱了地基土对结构的侧向约束,从而降低结构的自振频率,侧向振型的自振频率最大降低6.01%;在运营车辆和风荷载作用下,基础冲刷对结构的振动响应影响很小;在地震发生后,基础冲刷会增大结构的横向振动,结构的横向位移响应极值最大增大9.1%,横向位移响应谱也相应增大,而对结构的竖向振动影响很小;基础冲刷可能减小车辆横向加速度的响应,车辆的横向加速度响应极值最大降低7.7%,对车辆的竖向振动影响很小.

考虑结构损伤的CFRP修复RC墩柱地震损伤模型研究
龚婉婷, 钱永久, 徐望喜
2024, 59(2): 332-342. doi:10.3969/j.issn.0258-2724.20220176
摘要:

为研究碳纤维材料(CFRP)修复损伤钢筋混凝土(RC)结构遭受地震作用的损伤演化规律,准确量化修复损伤结构状态,进行了10个钢筋混凝土圆墩柱拟静力试验,其中,8个墩柱试件为使用不同CFRP加固方法进行修复的损伤试件. 基于试验结果,对8个典型地震损伤模型进行研究分析,引入材料性能折减系数来考虑结构初始损伤,建立了CFRP修复RC墩柱的双参数地震损伤模型,并根据试验现象和改进的损伤模型对钢筋混凝土结构的损伤程度进行量化分析. 研究表明:使用典型地震损伤模型计算修复柱的损伤指标时,计算试件破坏时的损伤指标普遍偏大,且同一墩柱模型损伤指数的变化趋势有较大差异,损伤指数发展趋势与试验现象不符;根据试件参数进行非线性回归分析,得到了组合系数与设计参数的经验表达式,建议的损伤模型能够较好模拟CFRP修复加固墩柱的地震损伤演化过程;定义了钢筋混凝土结构损伤的5个等级,并给出5个等级的损伤指标界限值;对中等损伤($0.3 < D \leqslant 0.6$, D 为损伤指标)的墩柱结构,建议对结构表面修复平整后使用预应力CFRP加固以达到更好的效果.

基于CFD与风洞试验的边主梁涡振气动措施
黄林, 董佳慧, 廖海黎, 蒲诗雨, 王骑
2024, 59(2): 343-352. doi:10.3969/j.issn.0258-2724.20220208
摘要:

为能够快捷且经济地完成开口类钝体桥梁断面涡振制振气动措施的选型,以一座边主梁叠合梁斜拉桥为背景,采用“CFD (computation fluid dynamics)数值模拟选型 + 风洞试验验证”的思路对其涡振制振气动措施选型进行研究. 该桥原设计主梁断面在常遇风速下存在显著涡激振动,为完成气动措施的初步选型,采用CFD数值计算对原设计断面的流场进行模拟,通过研究原设计断面的旋涡脱落状态确定主要旋涡抑制对象,进而有针对性地模拟了3种气动措施(下中央稳定板、导流板与风嘴)对主要脱落旋涡的抑制作用,通过将各断面旋涡脱落状态与三分力系数进行对比分析,得到各断面涡振性能的相对优劣关系,并最终选取风嘴与下中央稳定板结合而成的组合气动措施进行风洞验证试验. 试验结果表明:该组合气动措施能够有效抑制梁体在各风攻角下的涡激振动,且在 +5° 风攻角下,通过风洞试验得到的导流板、下中央稳定板、风嘴组合气动3种措施对原设计断面涡振振幅的减小作用依此递增,分别为2.7%、27.7%与87.4%,制振能力高低关系与数值模拟结果相一致;本次数值模拟结果符合预期要求,未来可针对不同类型桥梁断面进一步扩展数值模拟与风洞试验结果对比的数据集,以期更为准确、快捷地完成气动措施的选型.

基于几何约束的倾斜影像特征匹配方法
韦春桃, 张冬梅
2024, 59(2): 353-360. doi:10.3969/j.issn.0258-2724.20210662
摘要:

针对倾斜影像视角变换较大、重复纹理导致匹配数量少、匹配精度不高的问题,提出一种适用于倾斜影像的特征点、线分级匹配方法. 首先,用直线提取(检测)算法(LSD)获取影像直线特征,并将直线特征以一定约束进行直线组对,构建直线对区域与改进的SIFT (scale-invariant feature transform)特征描述符进行匹配,使用RANSAC算法剔除误匹配,获得初始匹配结果后再进行核线约束;然后,利用已获得直线对区域进行影像局部纠正,在纠正后的局部影像上采用SIFT匹配并反算回原始影像,利用得到的同名点全局纠正倾斜影像,并进行特征点匹配与采用基于方格的运动统计算法(GMS)剔除误匹配,仍将匹配结果反算回原始影像上;最后,将仿射尺度不变特征变化结果与点拓展匹配结果进行合并,得到最终匹配结果. 试验结果表明:本文方法匹配正确率与经典的仿射不变匹算法(ASIFT)的正确率相差不大,但匹配数量却是ASIFT算法的1倍~3倍.

基于含冰量的冻结砂土-混凝土接触面蠕变特性
何菲, 王旭, 蒋代军, 周亚龙, 李君善, 陈航杰, 陈明伟
2024, 59(2): 361-368. doi:10.3969/j.issn.0258-2724.20220552
摘要:

保证高含冰量冻土区桩基础的长期稳定性是多年冻土区桥梁桩基础安全服役中的关键问题,为研究含冰量对冻土-混凝土接触面蠕变特性的影响,采用自行研制的大型蠕变剪切仪,在−2 ℃条件下开展含冰量为6%、12%、16%、23%、36%、60%、80%的冻结砂土与混凝土接触面蠕变试验. 试验结果表明:在恒定的剪应力作用下,除含冰量为6%试样出现加速蠕变外,其他试样仅出现衰减蠕变及稳定蠕变2个阶段;随含冰量的增大,试样黏性变形占比增大,含冰量为80%试样的黏性变形超过总变形量的80%;稳定蠕变速率受到干密度及含冰量的综合影响,含冰量为16%时稳定蠕变速率最小;Burgers黏弹性模型能较好地模拟高含冰量冻结砂土-混凝土接触面蠕变曲线;随着含冰量的增大,初始剪切模量和稳定蠕变阶段黏滞系数先增大后减小,初始蠕变阶段的渐进剪切模量呈幂函数减小,初始蠕变阶段黏滞系数呈幂函数增大.

单轴压缩条件下单裂隙花岗岩力学特性及破坏特征
王春萍, 王璐, 刘建锋, 刘健
2024, 59(2): 369-376, 446. doi:10.3969/j.issn.0258-2724.20230169
摘要:

为研究含贯通单裂隙花岗岩的力学特性及破坏特征,以我国高放废物地质处置甘肃北山预选区完整花岗岩及含倾角30°、45° 和60° 贯通裂隙的花岗岩为研究对象,开展单轴压缩试验研究. 结果表明:裂隙倾角越大,试样的单轴抗压强度、损伤应力以及弹性模量越低;与完整岩石相比,倾角30°、45° 和60° 裂隙花岗岩的抗压强度分别下降7.97%、29.17%和71.68%,损伤应力分别下降9.35%、24.26%和69.79%,弹性模量分别下降5.89%、23.32%和60.49%. 裂隙倾角不同,试样的应力-应变曲线呈现出显著的差别;裂隙倾角越大,损伤应力至峰值应力之间的屈服阶段越明显,发生沿裂隙面滑移破坏特征越显著;裂隙倾角影响花岗岩的破坏模式,试样的破坏形式主要表现为穿裂隙面破坏(倾角30°)、穿裂隙面破坏和沿裂隙面滑移并存的复合破坏(倾角45°)以及沿裂隙面滑移破坏(倾角60°);倾角60° 的裂隙花岗岩的抗压强度与试验前后裂隙面的分形维数差符合幂函数增长关系.

长期循环荷载下土的动力学特性与本构模型研究进展
李琼林, 青于蓝, 崔凯, 张东杰, 李庞举
2024, 59(2): 377-391. doi:10.3969/j.issn.0258-2724.20210928
摘要:

随着交通基础设施的快速发展,长期循环荷载下土体的动力性能与相应的本构模型体系愈发受到关注,其能为该类荷载下地基或者岩土构筑物的动力稳定性和服役性能评估提供理论基础与技术支撑. 最近20年来,国内外相关学者已开展了大量的室内试验探索长期循环荷载下土的动力特性与影响因素,建立相应的理论模型描述土体的长期循环变形特征,并努力将其应用于工程实践. 目前,对长期循环荷载下土体动力学性能与主要影响因素的研究基本明确,但在如何减少本构模型参数,增强本构模型在变幅值、变频率等复杂实际工况时的适用性等研究尚需进一步加强. 本文通过对该方向研究发展的总结,明确了未来的发展方向,并提出了当前研究局限的可能解决思路,有利于进一步推进相关研究成果应用于工程实践的进程.

南方山区民居木结构榫卯节点抗震性能试验研究
杨春, 王宇豪, 左志亮, 陈庆军, 吴轶, 胡旭, 胡滨
2024, 59(2): 392-403. doi:10.3969/j.issn.0258-2724.20220536
摘要:

为研究截面参数和节点形式对有穿销直榫节点抗震性能的影响,首先,以梁高、梁宽为研究参数,并与有穿销透榫节点作对比,共设计制作了4个足尺节点试件;然后,通过低周往复加载试验,研究不同参数下节点的破坏形态、滞回曲线、骨架曲线、延性、强度和刚度退化及耗能能力等性能;最后,推导有穿销直榫节点的弯矩-转角理论公式,并与试验结果进行对比. 研究结果表明:试件的主要破坏形态为柱内侧梁榫受拉边缘的顺纹拉裂破坏,伴随有柱内侧梁榫受压边缘的挤压变形和柱外侧梁榫的水平劈裂;节点的弯矩-转角滞回曲线呈捏缩效应明显的反Z形;在试验设计参数范围内,有穿销直榫节点的转动刚度和抗弯承载力随着梁截面高度和宽度的增大而增大,但是强度退化系数和等效黏滞阻尼系数的变化不明显;相比于有穿销透榫节点,有穿销直榫节点的正向抗弯承载力大62%,反向抗弯承载力大26%,且承载力下降更平缓,表明有穿销直榫节点具有更好的抗震性能;有穿销直榫节点理论公式所得结果与试验结果误差在9%内.

基于紧密堆积理论的混凝土弹性模量与徐变控制
李福海, 唐慧琪, 李继芸, 刘梦辉, 王江山, 陈爽, 徐腾飞
2024, 59(2): 404-412. doi:10.3969/j.issn.0258-2724.20210431
摘要:

为降低连续刚构桥跨中下挠幅度,针对弹性模量与徐变2种影响因素,提出一种基于骨料紧密堆积理论的配合比优化控制方法,并对比原配合比研究了优化控制方法对不同龄期与环境下的弹性模量与徐变的影响;结合SEM (scanning electron microscope)与MIP (mercury intrusion porosimetry)试验,从混凝土微观层面分析优化机理,以CEB-FIP (1990)模型为基础,提出考虑弹性模量成熟度的修正模型. 结果表明:优化控制方法对早龄期混凝土弹性模量具有明显的控制效果,但界面过渡区面积的增加限制了后期弹性模量的发展;相同条件下,优化后混凝土徐变系数较原配合比降低了12%~23%;环境对混凝土徐变影响与优化控制方法相比占主导作用,不同环境下混凝土徐变变化幅度在45%~60%;混凝土徐变随加载龄期延长而减小,且优化后混凝土在较小加载龄期时,徐变仍比较大加载龄期的原配合比混凝土徐变降低3%~13%;优化后混凝土早龄期内部孔隙与微裂缝数量减少,改善了混凝土内部结构;修正后的CEB-FIP (1990)模型对徐变预测精度更高.

脉冲风洞天平基础动力特征的简化计算方法
李向东, 聂连飞, 朱宝龙, 林其, 于时恩
2024, 59(2): 413-422. doi:10.3969/j.issn.0258-2724.20220563
摘要:

为了研究脉冲风洞天平基础在脉冲气动荷载作用下的动力响应特征,以某脉冲风洞为例,选择某典型气动荷载作用形式,建立了脉冲风洞天平基础在气动荷载作用下竖直方向、水平方向位移以及回转角度等动力特征的简化计算方法,并采用数值模拟的方法验证其可靠性. 研究结果表明:天平基础在典型气动荷载作用下,竖直向最大振幅0.00175 mm,频率7.94 Hz,水平向最大振幅0.00283 mm,频率7.94 Hz,回转角度最大振幅0.00034°,频率7.94 Hz,典型气动荷载对天平基础振动影响较小,也未产生共振现象;基础振动最大振幅随气动荷载增大而增大,基础振动频率随气动荷载频率增大而增大;在气动荷载不变的条件下,基础振动的最大振幅与频率随尺寸的变大而变小,基础振动的最大振幅也随地基土性质的增强而减小,但地基土性质的变化对基础振动频率无影响.

强风作用下输电塔线体系连续性倒塌分析
李悦, 谢强, 张欣, 张戬
2024, 59(2): 423-430. doi:10.3969/j.issn.0258-2724.20220619
摘要:

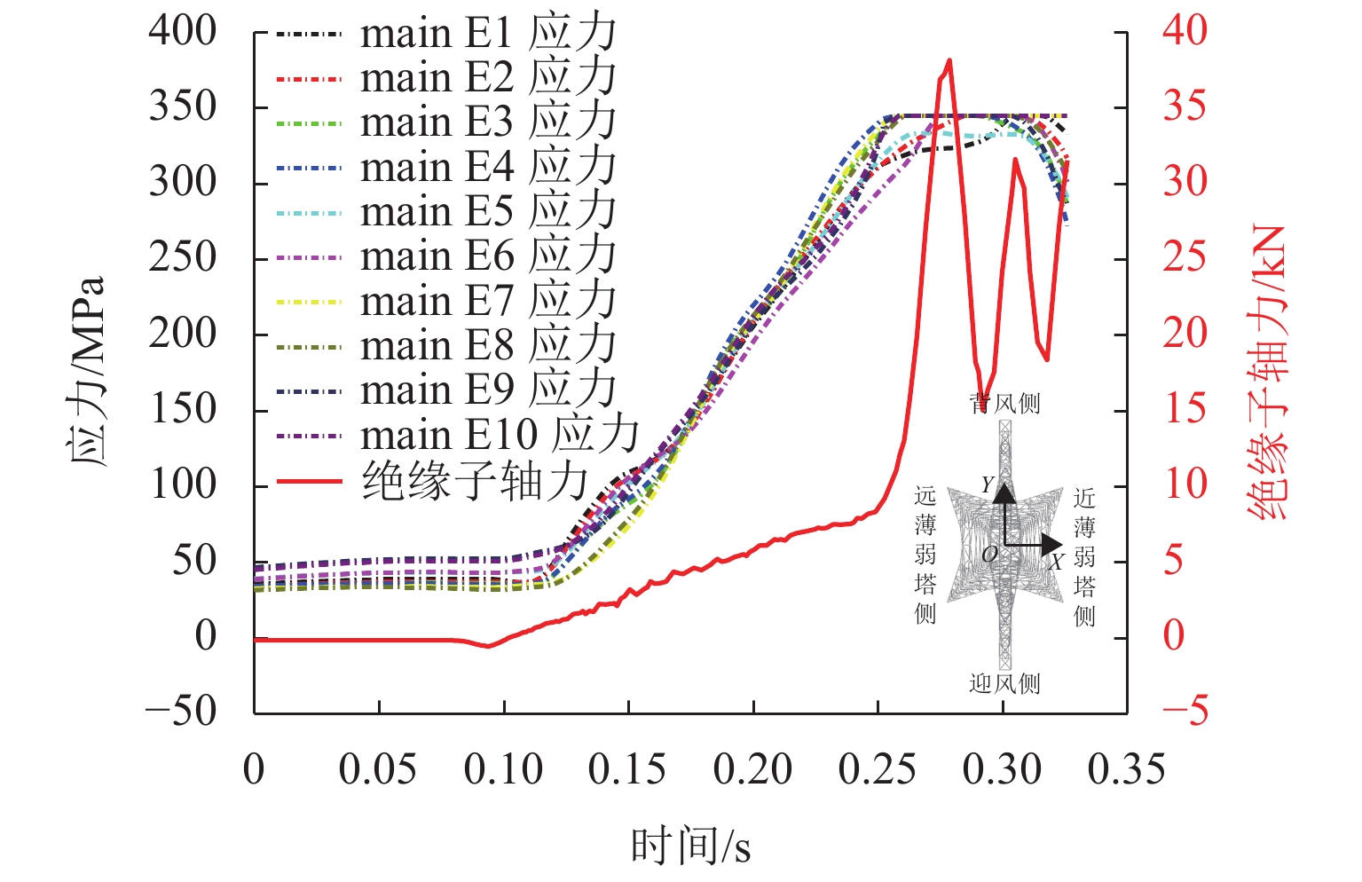
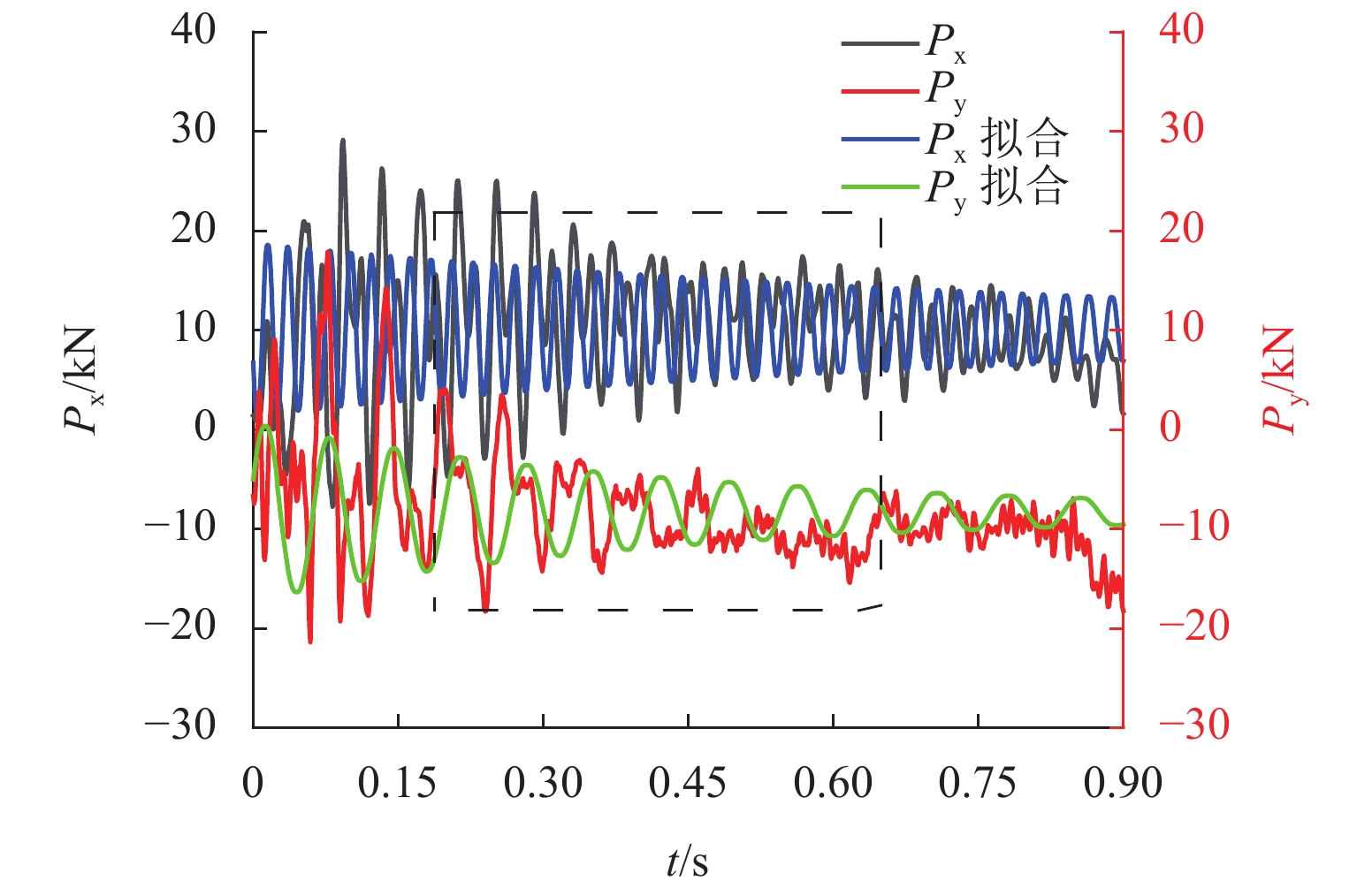
为分析强风作用下输电塔线体系连续性倒塌的过程,将已发生破坏的输电塔作为薄弱塔,采用等效位移的方式考虑薄弱塔倒塌对挂线点空间位置的影响,计算相邻输电塔(目标塔)在薄弱塔多组倒塌特征变量组合工况下的响应和破坏特征,确定对目标塔具有最大影响的薄弱塔倒塌特征变量. 结果表明:在发生连续性倒塌时,目标塔的破坏包括近薄弱塔侧的塔身破坏和塔头破坏2种形式;目标塔近薄弱塔侧背风面主材应力比最高,斜材应力比一直较低;塔身下部斜材失稳与主材应力的持续增大是目标塔整体倒塌的最直接原因;薄弱塔的倒塌过程持续时间是目标塔是否破坏的主要控制变量.

基于SINS速度信息的里程计参数快速标定方法
周召发, 梁哲, 徐志浩, 常振军, 陈河, 赵芝谦
2024, 59(2): 431-437. doi:10.3969/j.issn.0258-2724.20210956
摘要:

针对里程计标度因数误差和安装误差对捷联惯导/里程计组合导航精度的显著影响,提出一种基于短时捷联惯导系统(strapdown inertial navigation system,SINS)速度信息的里程计参数标定方法. 通过建立航位推算误差模型,构建惯性测量单元(inertial measurement unit,IMU)坐标系内惯导系统输出速度与里程计输出之间的关系式,得到里程计参数的计算公式;利用最小二乘法对里程计标度因数和安装误差进行标定. 该方法只利用了捷联惯导信息,在1 min内就可实现里程计参数的初次标定,不需要相关参数误差值为小量的假设,并可以忽略杆臂效应对标定效果的影响. 试验结果表明:当车辆行驶30 min后,利用该方法标定后的水平航位推算精度比传统标定方法定位精度高92.3%.

非合作博弈背景下基于BSA的配电网优化重构
李奇, 艾钰璇, 孙彩, 邱宜彬, 陈维荣
2024, 59(2): 438-446. doi:10.3969/j.issn.0258-2724.20210547
摘要:

为缓解分布式电源大规模接入对配电网安全稳定运行的影响,提出一种考虑分布式电源输出功率的不确定性的有源配电网优化重构方法. 首先,采用非合作博弈理论研究电网调度人员与“大自然”之间的博弈关系,将配电网系统中光伏单元的不确定性视为“大自然”博弈方;其次,以有功网损、负荷均衡度、电压偏差最小为目标函数,建立有源配电网优化重构模型,通过回溯搜索算法(backtracking search algorithm,BSA)进行迭代求解,得到最优重构方案;最后,在IEEE33节点系统进行仿真分析,验证模型的正确性及求解算法的有效性. 研究结果表明,相较传统重构方法,本文方法更充分考虑了分布式电源输出功率的不确定性,并且在最恶劣的情况发生时,得到的重构策略能够使配电网系统的有功网损、负荷均衡度、电压偏差指标分别降低0.31%、0.59%、0.48%.

基于能值分析的光伏电站选址方法
陈思源, 张玉坤, 张倩宁, 郑婕
2024, 59(2): 447-455, 476. doi:10.3969/j.issn.0258-2724.20210368
摘要:

为合理指导光伏电站的有序规划及可持续开发,提出一种以能值分析为基础的光伏电站选址及生态经济收益评估方法. 通过能值分析与地理信息系统(GIS)空间分析相结合,对内蒙古12个盟市地区光伏发电可利用土地生态经济收益情况做出分析. 分析结果表明:呼和浩特、包头等内蒙古中西部城镇密集地区体现出更为优异的可开发价值,而经过对比发现由输电距离所导致的输电损失占据了各项能值投入中的决定性比重;此外,对于绝大部分可利用地块而言,与城镇或建成环境越近,其生态经济收益也相对越高,而在能源结构转型的过程中,光伏土地占用与不断扩张的城市建设用地需求,或将成为未来城市规划与光伏能源规划所面临的首要矛盾.

高速列车顶层设计指标分解研究现状与展望
张海柱, 黎荣, 丁国富, 马凯, 邓海
2024, 59(2): 456-466. doi:10.3969/j.issn.0258-2724.20220188
摘要:

顶层设计指标分解是决定高速列车正向设计周期长短和成功与否的首要环节. 首先,在阐述运输能力、安全舒适、绿色环保、经济性等高速列车顶层设计指标的基础上,从系统结构组成、运行边界条件以及大系统耦合作用等角度提出高速列车顶层设计指标分解所面临的技术挑战;然后,论述设计指标分解方法、设计指标分解关联模型和设计指标分解协调策略3个方面研究现状,并分析现有方法的不足与新需求;最后,展望群落生态学在高速列车顶层设计指标分解中的适用性,剖析基于群落生态学的高速列车顶层设计指标分解将会面临的关键问题,并给出相应的解决技术路线,以期为高速列车顶层设计指标分解的深入研究和实践提供参考.

适用于天然气发动机高EGR率的引射器仿真研究
王晓艳, 康天钦, 王培伦, 贾德民, 徐煜, 赵建辉
2024, 59(2): 467-476. doi:10.3969/j.issn.0258-2724.20210950
摘要:

针对发动机抑制爆震的难题,提出采用无功耗的引射器实现天然气发动机高废气再循环(EGR)率的技术方案. 首先,完成设计工况下的引射器结构参数设计计算;然后,建立引射器仿真模型,并根据实验数据开展引射器计算模型的校核与验证;其次,对引射器引射性能随结构参数的改变进行分析,获取各结构参数对引射性能的影响规律;最后,提出了一种新的结构参数敏感性评价指标,研究了结构参数对引射性能的影响程度. 研究结果表明:随着混合段长度和扩压段长度的增加,引射系数( μ )会随之增大;混合段直径( d 3)、扩压段角度( θ s)和喷嘴出口至混合段距离( L NXP)的增加会导致 μ 先增加后减小, μ 的最大值分别出现在 d 3=46.1 mm、 θ s=4° 和 L NXP=57.33 mm处;对 μ 影响最大的结构参数为 d 3,对应的敏感性指标为0.88,而 L NXP μ 的影响程度最小,敏感性指标为0.05.

带仿生躯干的被动行走机器人步态特性
魏巍, 丁维高, 谢进
2024, 59(2): 477-484. doi:10.3969/j.issn.0258-2724.20220463
摘要:

为改善被动行走机器人的步态特性,受人体躯干同时具有刚性骨骼和柔性软组织启发,提出一种带刚柔仿生躯干的被动行走机器人模型,并研究其非线性动力学特性. 将仿生躯干柔性部分等效为带质量的弹簧阻尼器,建立仿生躯干被动行走机器人的动力学模型. 分别分析仿生躯干的等效弹性系数、等效阻尼系数、等效质量对被动行走机器人的行走步长和步行速度的影响规律,并与刚性躯干模型的结果进行对比. 研究结果表明:相比于刚体躯干,仿生躯干使得被动行走具有更加丰富的步态行为;仿生躯干柔性不仅影响被动行走的行走步长及行走速度,还影响被动行走的稳定性;适当的躯干柔性可以在维持稳定周期步态的同时,提高被动行走机器人的行走步长及步行速度;与刚性躯干相比,带仿生躯干的被动行走步长能提高12%,行走速度能提高2%.

Baidu
map